规范网
更新
当前位置:
规范网
标准
行业标准
内容详情
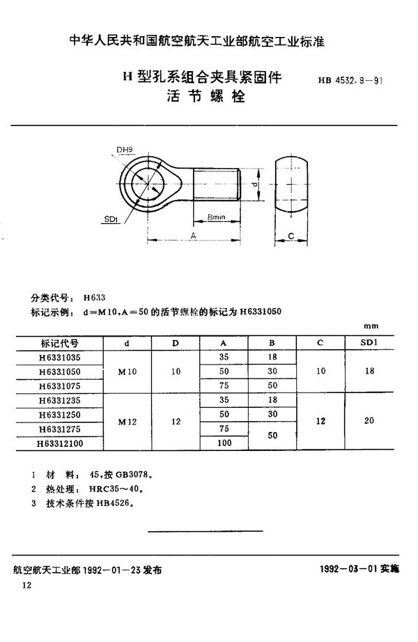
H型孔系组合夹具紧固件 活节螺栓 (HB 4532.9-1991)
下载
免费下载 HB 4532.9-1991
标准号HB 4532.9-1991状态
发布于:
实施于:
H型孔系组合夹具紧固件 活节螺栓基本信息
标准号:HB 4532.9-1991
标准名称:H型孔系组合夹具紧固件 活节螺栓
加入收藏
下载文件
声明:资源收集自网络或用户分享,仅供学习参考,使用请以正式版为准;如侵犯您的权益,请联系我们处理。
不能下载?报告错误
下页:
H型孔系组合夹具钻模类件 钻套螺钉 (HB 4533.1-1991)
相关推荐
H型孔系组合夹具系统附件 耳形手柄 (HB 4531.19-1991)
H型孔系组合夹具紧固件 带肩六角螺栓 (HB 4532.6-1991)
H型孔系组合夹具紧固件 球面带肩螺钉 (HB 4532.7-1991)
H型孔系组合夹具紧固件 过渡螺栓 (HB 4532.8-1991)
H型孔系组合夹具紧固件 活节螺栓 (HB 4532.9-1991)