当前位置:规范网标准行业标准内容详情

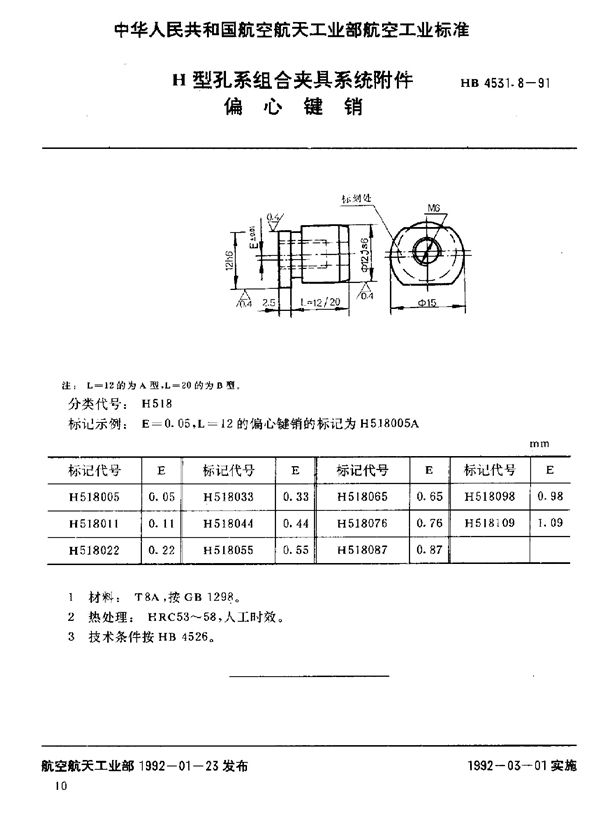
H型孔系组合夹具系统附件 偏心键销 (HB 4531.8-1991)

下载
免费下载 HB 4531.8-1991

H型孔系组合夹具系统附件 偏心键销 (HB 4531.8-1991)

标准号HB 4531.8-1991状态

发布于:

实施于:

H型孔系组合夹具系统附件 偏心键销基本信息

标准号:HB 4531.8-1991

标准名称:H型孔系组合夹具系统附件 偏心键销

声明:资源收集自网络或用户分享,仅供学习参考,使用请以正式版为准;如侵犯您的权益,请联系我们处理。

不能下载?报告错误