规范网
更新
当前位置:
首页
标准
行业标准
内容详情
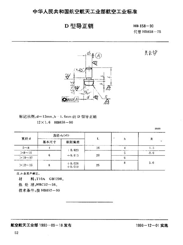
D型导正销 (HB 858-1990)
下载
帮助
举报
收藏
上传文档
下载
预览图
用户名称:
震手
注册时间:
2025-10-30
认证方式:
手机认证
标准号HB 858-1990状态
发布于:
实施于:
D型导正销基本信息
标准号:HB 858-1990
标准名称:D型导正销
收藏
下载
声明:本站为网络服务提供者及网络索引服务平台资源索引自网络/用户分享,如有版权问题,请
联系
站方删除。
不能下载?报告错误
下页:
B型活动挡料销 (HB 852-1990)
相关推荐
冷冲模导正销 D型导正销 (GB 2864.4-1981)
冲模零件及其技术条件 冲模导正销 D型导正销 (JB/T 7647.4-1994)
冲模导正销 第4部分:D型导正销 (JB/T 7647.4-2008)
D型导正销 (HB 858-1990)