规范网
更新
当前位置:
首页
标准
行业标准
内容详情
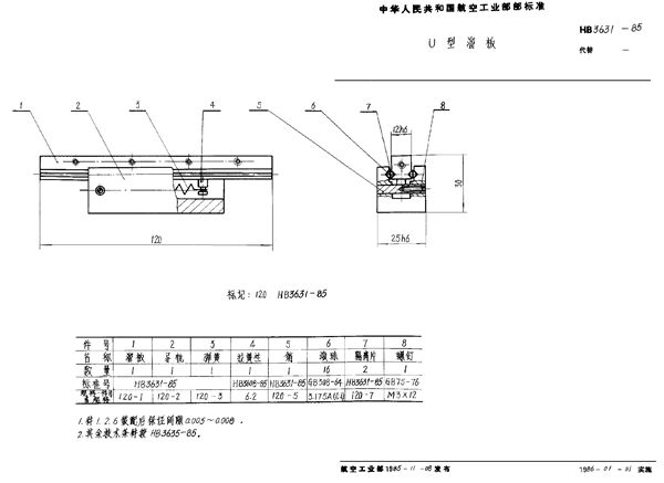
U型溜板 (HB 3631-1985)
下载
帮助
举报
收藏
上传文档
下载
预览图
用户名称:
江湖相见
注册时间:
2023-06-21
认证方式:
手机认证
标准号HB 3631-1985状态
发布于:
实施于:
U型溜板基本信息
标准号:HB 3631-1985
标准名称:U型溜板
收藏
下载
声明:本站为网络服务提供者及网络索引服务平台资源索引自网络/用户分享,如有版权问题,请
联系
站方删除。
不能下载?报告错误
下页:
U型溜板 (HB 3632-1985)
相关推荐
U型溜板 (HB 3631-1985)
U型溜板 (HB 3632-1985)