规范网
更新
当前位置:
首页
标准
行业标准
内容详情
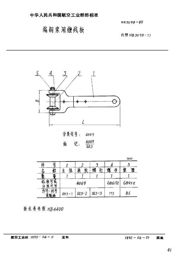
编钢索用缠线板 (HB 3098-1989)
下载
帮助
举报
收藏
上传文档
下载
预览图
用户名称:
-柠檬6905
注册时间:
2023-07-04
认证方式:
手机认证
标准号HB 3098-1989状态
发布于:
实施于:
编钢索用缠线板基本信息
标准号:HB 3098-1989
标准名称:编钢索用缠线板
收藏
下载
声明:本站为网络服务提供者及网络索引服务平台资源索引自网络/用户分享,如有版权问题,请
联系
站方删除。
不能下载?报告错误
下页:
换向接头 a=7~20 (HB 3100-1989)
相关推荐
编钢索钳 (HB 3086-1989)
编钢索用缠线板 (HB 3098-1989)
编钢索锥子 (HB 3097-1989)