规范网
更新
当前位置:
规范网
标准
行业标准
内容详情
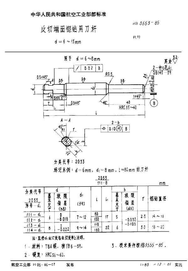
反切端面锪钻用刀杆 d=6~13mm (HB 3553-1985)
下载
免费下载 HB 3553-1985
标准号HB 3553-1985状态
发布于:
实施于:
反切端面锪钻用刀杆 d=6~13mm基本信息
标准号:HB 3553-1985
标准名称:反切端面锪钻用刀杆 d=6~13mm
加入收藏
下载文件
声明:资源收集自网络或用户分享,仅供学习参考,使用请以正式版为准;如侵犯您的权益,请联系我们处理。
不能下载?报告错误
下页:
套装式扩孔钻和铰刀用刀杆 (HB 3554-1985)
相关推荐
反切端面锪钻 用于HB 0-4-83 (HB 3816-1986)
反切端面锪钻 用于装垫圈 (HB 3817-1986)
反切端面锪钻 d=14~40mm (HB 3499-1985)
反切端面锪钻用刀杆 d=6~13mm (HB 3553-1985)
反切端面锪钻用刀杆 (HB 3821-1986)