当前位置:规范网标准行业标准内容详情

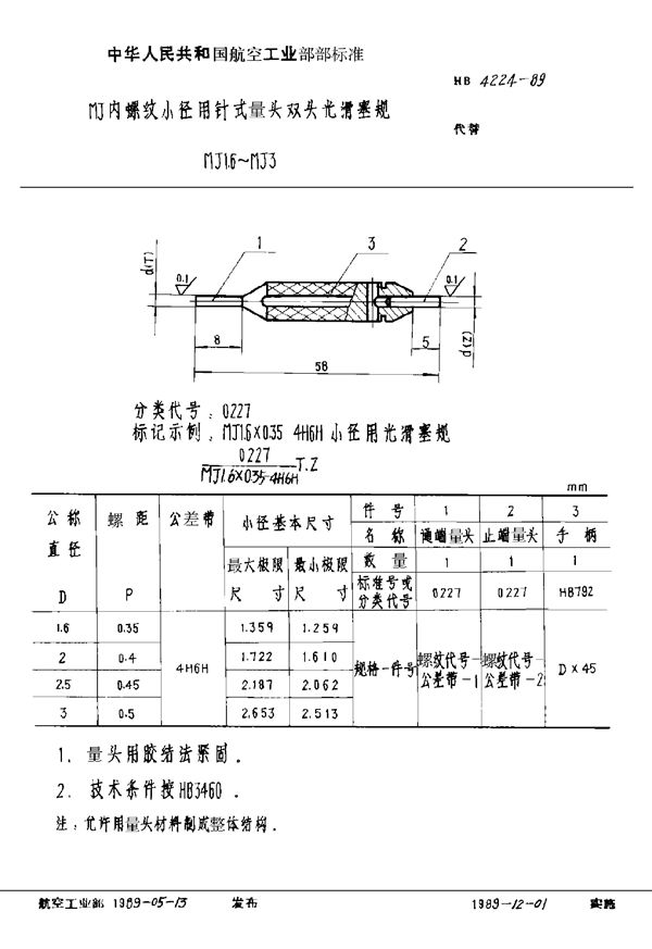
MJ内螺纹小径用针式量头双头光滑塞规 MJ1.6~MJ3 (HB 4224-1989)

下载
免费下载 HB 4224-1989

MJ内螺纹小径用针式量头双头光滑塞规 MJ1.6~MJ3 (HB 4224-1989)

标准号HB 4224-1989状态

发布于:

实施于:

MJ内螺纹小径用针式量头双头光滑塞规 MJ1.6~MJ3基本信息

标准号:HB 4224-1989

标准名称:MJ内螺纹小径用针式量头双头光滑塞规 MJ1.6~MJ3

声明:资源收集自网络或用户分享,仅供学习参考,使用请以正式版为准;如侵犯您的权益,请联系我们处理。

不能下载?报告错误