规范网
更新
当前位置:
首页
标准
行业标准
内容详情
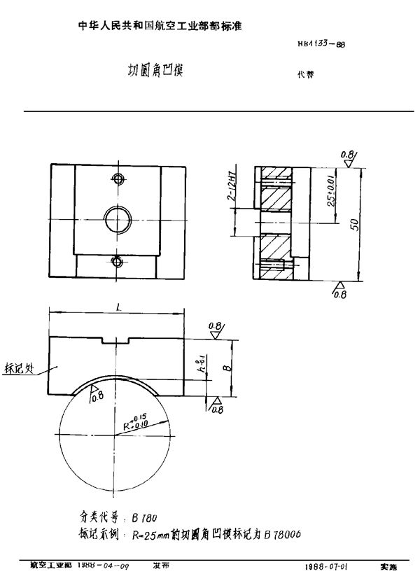
切圆角凹模 (HB 4133-1988)
下载
帮助
举报
收藏
上传文档
下载
预览图
用户名称:
行走的FaceID
注册时间:
2023-10-22
认证方式:
手机认证
标准号HB 4133-1988状态
发布于:
实施于:
切圆角凹模基本信息
标准号:HB 4133-1988
标准名称:切圆角凹模
收藏
下载
声明:本站为网络服务提供者及网络索引服务平台资源索引自网络/用户分享,如有版权问题,请
联系
站方删除。
不能下载?报告错误
下页:
氰化电镀铜溶液分析方法 原子吸收光谱法测定铅的含量 (HB/Z 5086.7-2000)
相关推荐
切圆角凹模 (HB 4133-1988)
切圆角凸模 (HB 4120-1988)
板式切圆角凸模 (HB 4121-1988)