规范网
更新
当前位置:
首页
标准
行业标准
内容详情
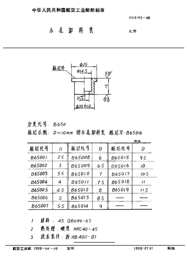
小孔卸料套 (HB 4105-1988)
下载
帮助
举报
收藏
上传文档
下载
预览图
用户名称:
王廷芝
注册时间:
2024-08-23
认证方式:
手机认证
标准号HB 4105-1988状态
发布于:
实施于:
小孔卸料套基本信息
标准号:HB 4105-1988
标准名称:小孔卸料套
收藏
下载
声明:本站为网络服务提供者及网络索引服务平台资源索引自网络/用户分享,如有版权问题,请
联系
站方删除。
不能下载?报告错误
下页:
外套 (HB 4106-1988)
相关推荐
小孔卸料套 (HB 4105-1988)