当前位置:规范网标准行业标准内容详情

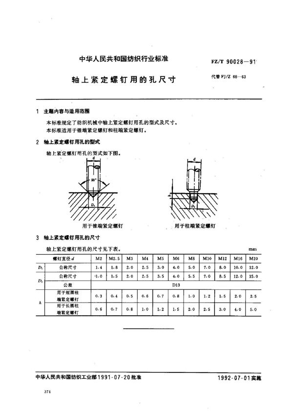
轴上紧定螺钉用的孔尺寸 (FZ/T 90028-1991)

下载
免费下载 FZ/T 90028-1991

轴上紧定螺钉用的孔尺寸 (FZ/T 90028-1991)

标准号FZ/T 90028-1991状态

发布于:

实施于:

轴上紧定螺钉用的孔尺寸基本信息

标准号:FZ/T 90028-1991

标准名称:轴上紧定螺钉用的孔尺寸

发布部门:

起草单位:

声明:资源收集自网络或用户分享,仅供学习参考,使用请以正式版为准;如侵犯您的权益,请联系我们处理。

不能下载?报告错误