当前位置:规范网标准行业标准内容详情

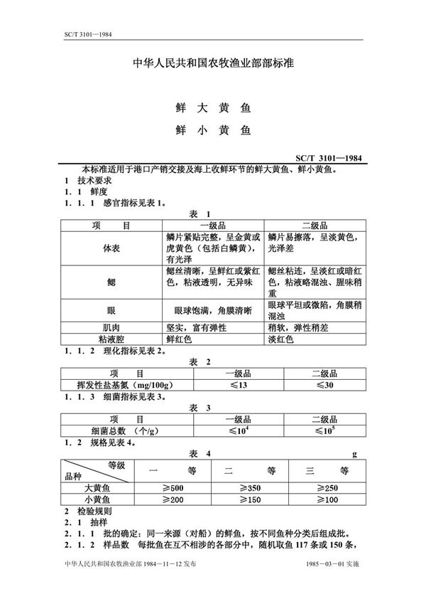
鲜大黄鱼、鲜小黄鱼 (SC/T 3101-1984)

下载
免费下载 SC/T 3101-1984

鲜大黄鱼、鲜小黄鱼 (SC/T 3101-1984)

标准号SC/T 3101-1984状态

发布于:1984-11-12

实施于:1985-03-01

鲜大黄鱼、鲜小黄鱼基本信息

标准号:SC/T 3101-1984

标准名称:鲜大黄鱼、鲜小黄鱼

发布部门:中华人民共和国农业部

起草单位:中国水产科学研究院黄海水产研究所

声明:资源收集自网络或用户分享,仅供学习参考,使用请以正式版为准;如侵犯您的权益,请联系我们处理。

不能下载?报告错误