当前位置:规范网标准行业标准内容详情

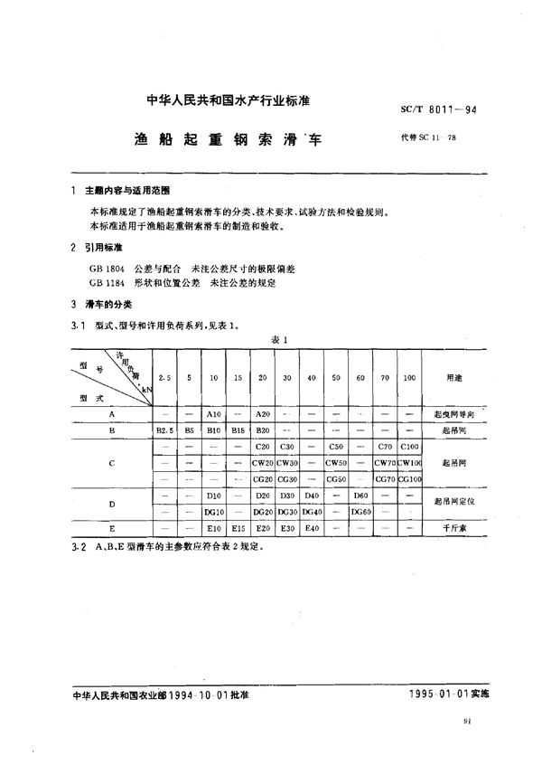
渔船起重钢索滑车 (SC/T 8011-1994)

下载
免费下载 SC/T 8011-1994

渔船起重钢索滑车 (SC/T 8011-1994)

标准号SC/T 8011-1994状态

发布于:1994-10-01

实施于:1995-01-01

渔船起重钢索滑车基本信息

标准号:SC/T 8011-1994

标准名称:渔船起重钢索滑车

发布部门:中华人民共和国农业部

起草单位:黄海造船厂

声明:资源收集自网络或用户分享,仅供学习参考,使用请以正式版为准;如侵犯您的权益,请联系我们处理。

不能下载?报告错误