当前位置:规范网标准行业标准内容详情

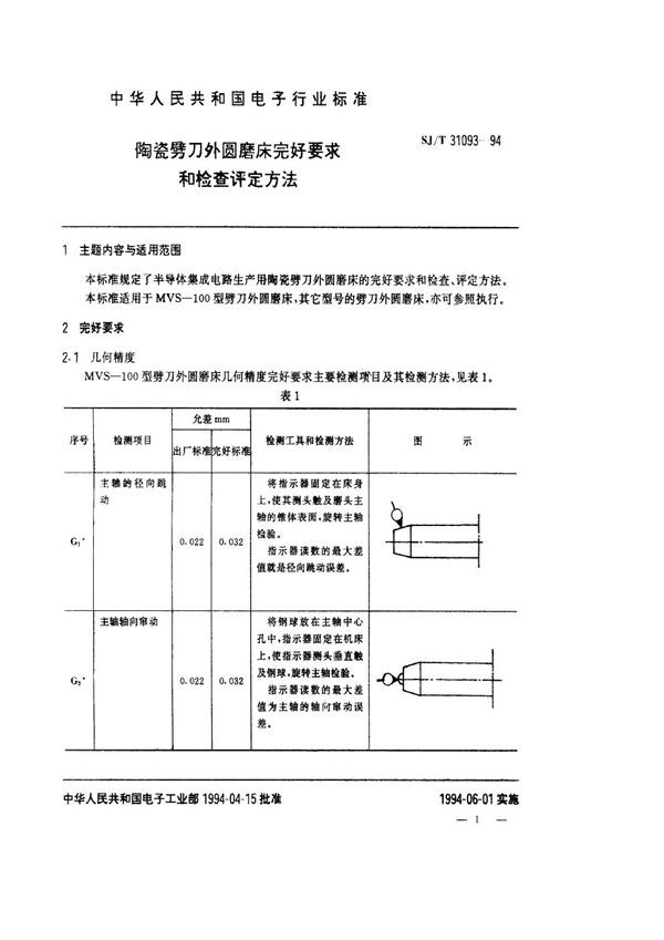
陶瓷劈刀外圆磨床完好要求和检查评定方法 (SJ/T 31093-1994)

下载
免费下载 SJ/T 31093-1994

陶瓷劈刀外圆磨床完好要求和检查评定方法 (SJ/T 31093-1994)

标准号SJ/T 31093-1994状态

发布时间:none

实施时间:none

陶瓷劈刀外圆磨床完好要求和检查评定方法基本信息

标准号:SJ/T 31093-1994

标准名称:陶瓷劈刀外圆磨床完好要求和检查评定方法

下载格式:PDF

标准大小:114.45 KB

陶瓷劈刀外圆磨床完好要求和检查评定方法 (SJ/T 31093-1994)

声明:资源收集自网络或用户分享,仅供学习参考,使用请以正式版为准;如侵犯您的权益,请联系我们处理。

不能下载?报告错误