当前位置:规范网标准行业标准内容详情

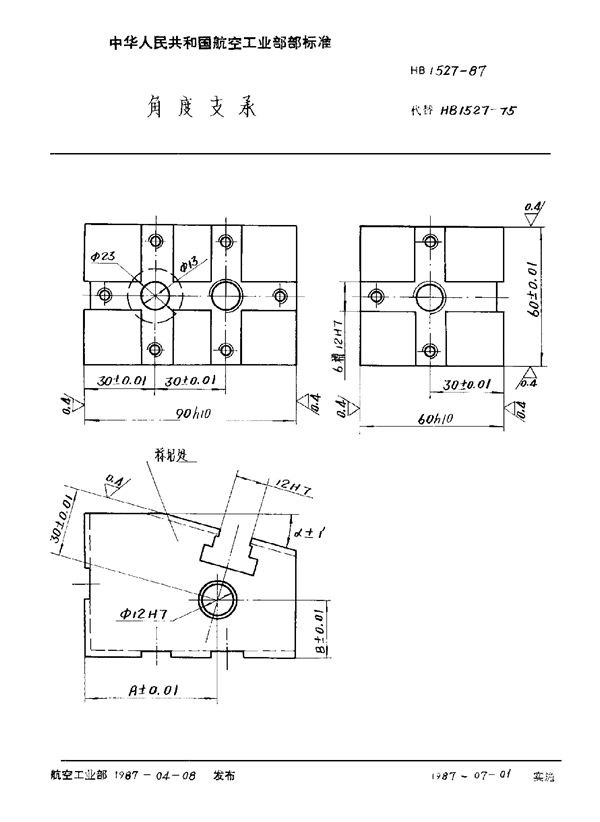
角度支承 (HB 1527-1987)

下载
免费下载 HB 1527-1987

角度支承 (HB 1527-1987)

标准号HB 1527-1987状态

发布时间:none

实施时间:none

角度支承基本信息

标准号:HB 1527-1987

标准名称:角度支承

下载格式:PDF

标准大小:36.33 KB

角度支承 (HB 1527-1987)

声明:资源收集自网络或用户分享,仅供学习参考,使用请以正式版为准;如侵犯您的权益,请联系我们处理。

不能下载?报告错误