当前位置:首页  标准  行业标准内容详情

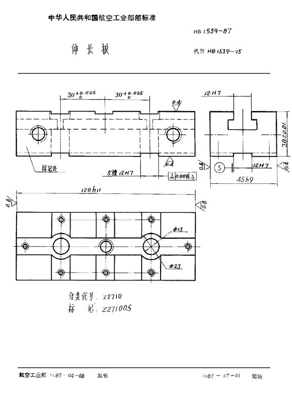
伸长板 (HB 1539-1987)

下载

标准号HB 1539-1987状态

发布时间:none

实施时间:none

伸长板基本信息

标准号:HB 1539-1987

标准名称:伸长板

下载格式:PDF

标准大小:140.24 KB

伸长板 (HB 1539-1987)

声明:本站为网络服务提供者及网络索引服务平台资源索引自网络/用户分享,如有版权问题,请联系站方删除。

不能下载?报告错误