当前位置:规范网标准行业标准内容详情

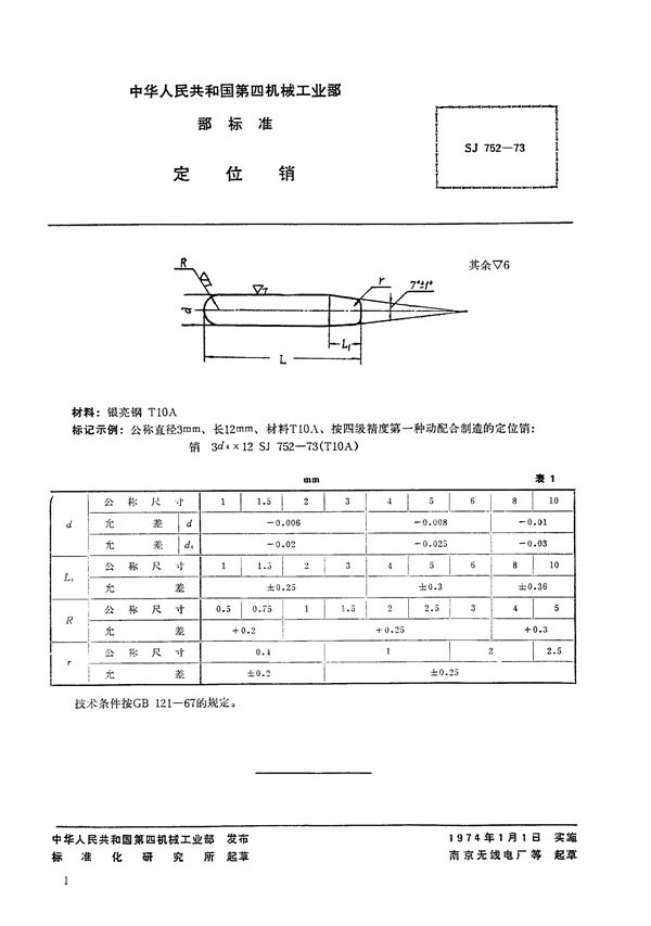
定位销 (SJ 752-1973)

下载
免费下载 SJ 752-1973

定位销 (SJ 752-1973)

标准号SJ 752-1973状态

发布时间:none

实施时间:none

定位销基本信息

标准号:SJ 752-1973

标准名称:定位销

下载格式:PDF

标准大小:47.31 KB

定位销 (SJ 752-1973)

声明:资源收集自网络或用户分享,仅供学习参考,使用请以正式版为准;如侵犯您的权益,请联系我们处理。

不能下载?报告错误