规范网
更新
当前位置:
规范网
范文
内容详情
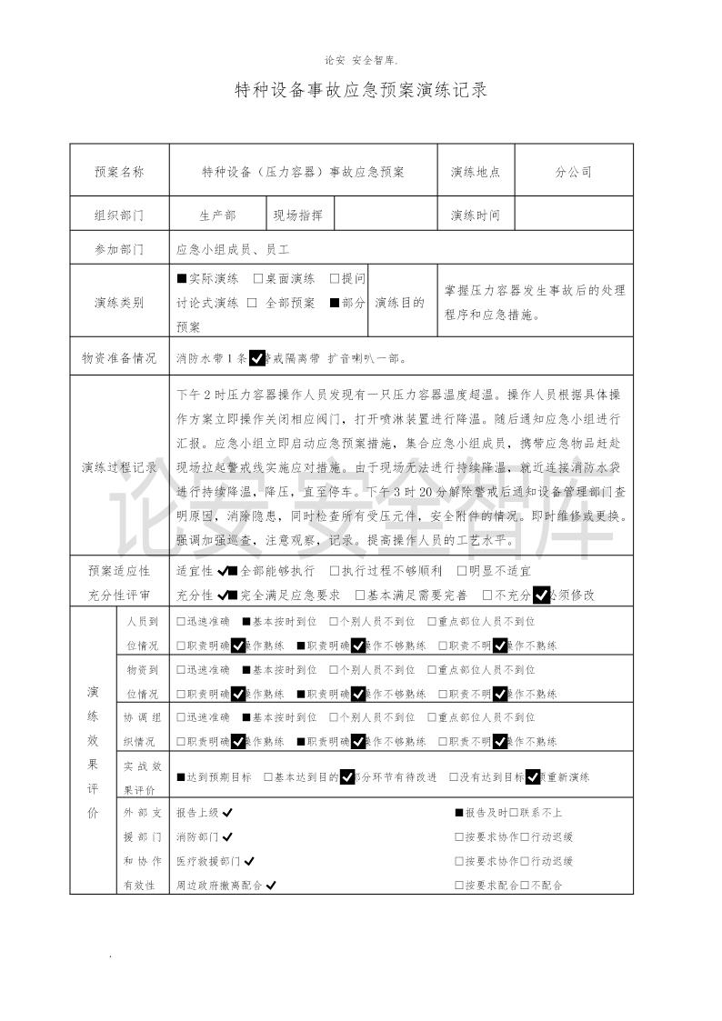
特种设备事故(压力容器)应急预案演练记录
特种设备事故(压力容器)应急预案演练记录 (特种设备 事故)(2页)
加入收藏
下载文件
声明:资源收集自网络或用户分享,仅供学习参考,如侵犯您的权益,请联系我们处理。
不能下载?报告错误
下页:
养老院基本信息登记表
相关推荐
特种设备检验检测废弃物管理规范 (DB1306/T 276-2024)
特种设备检验仪器维护保养指南 (DB1306/T 275-2024)
特种设备安全数据元 起重机械事故特征 (DB21/T 4132-2025)
特种设备安全数据元 起重机械事故原因 (DB21/T 4131-2025)
特种设备事故后评估工作规范 (DB21/T 4130-2025)
特种设备事故(压力容器)应急预案演练记录
下载文件
免费下载
标签
学习总结
交通运输规范
牛奶标准
山西省标准
云南省标准
02j331
安全标准
实习报告
圆钢标准
钢结构标准
插头标准
线材标准
重庆市标准
医院总结
能源规范
司法规范
人防
家长会发言稿
不锈钢管标准
稀土规范
银行工作计划
水利规范
05j909
检验标准
金融规范
船舶规范
城市轨道
项目总结