规范网
更新
当前位置:
规范网
范文
内容详情
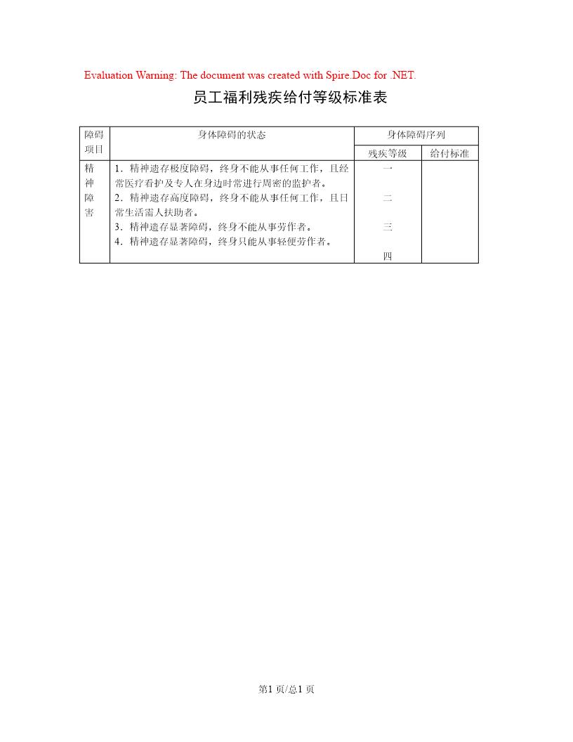
员工福利残疾给付等级标准表
员工福利残疾给付等级标准表 (支付给残疾职工的工资)(1页)
加入收藏
下载文件
声明:资源收集自网络或用户分享,仅供学习参考,如侵犯您的权益,请联系我们处理。
不能下载?报告错误
下页:
汽车设备租赁合同
相关推荐
员工福利委员会组织办法草案
员工福利委员会分期付款办法
员工福利委员会服兵役补助办法
员工福利委员会组织简章
员工福利金办法草案
员工福利残疾给付等级标准表
下载文件
免费下载
标签
校车标准
止回阀标准
污染物排放标准
锻件标准
医药规范
06ms201-3
人防
福建省标准
学习总结
河北省标准
吉林省标准
学校方案
11zj901
思想汇报
阻燃标准
出入境检验检疫规范
建筑材料规范
有色金属规范
旅游规范
管道标准
过滤器标准
教育规范
物资管理规范
07sd101-8
平键标准
劳动和劳动安全规范
教学评语
轻工业规范