规范网
更新
当前位置:
首页
范文
内容详情
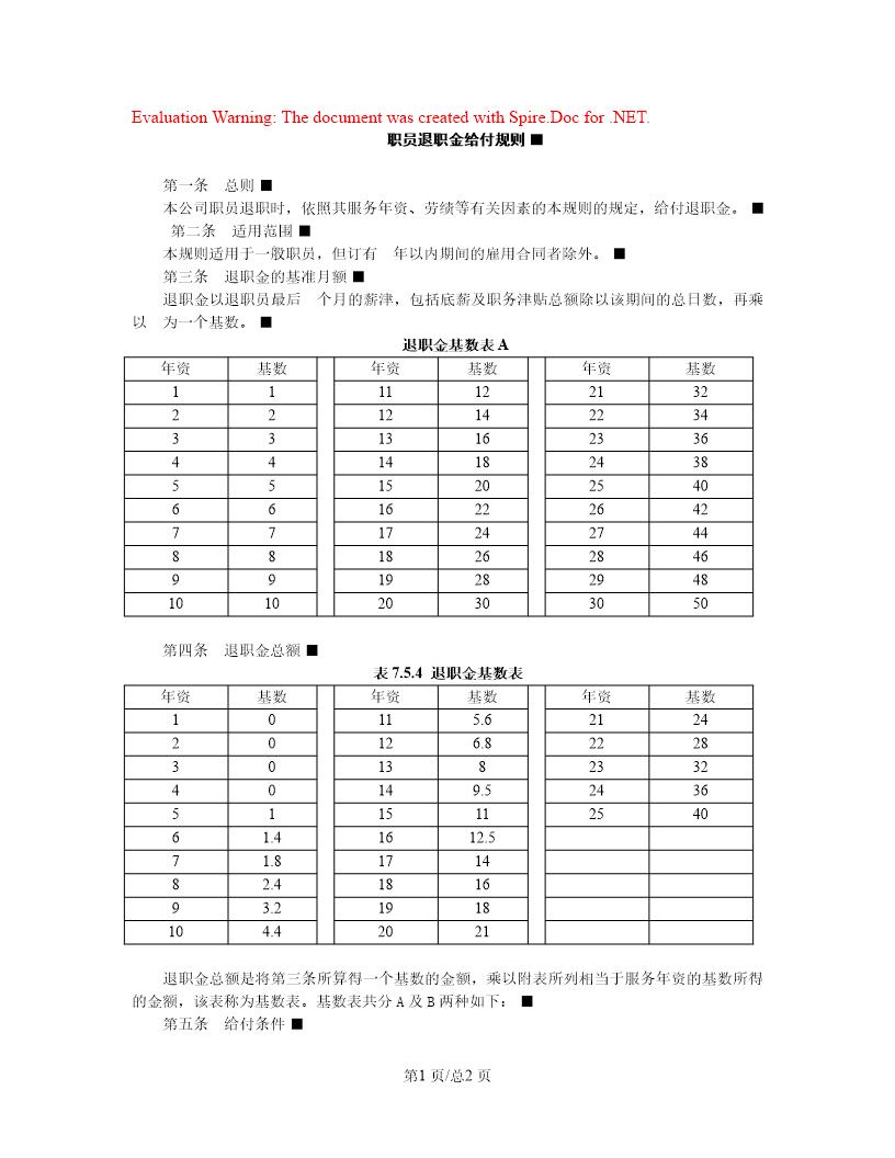
职员退职金给付规则
帮助
举报
收藏
上传文档
下载
预览图
职员退职金给付规则 (退职待遇)(2页)
职员退职金给付规则
收藏
下载
声明:本站为网络服务提供者及网络索引服务平台资源索引自网络/用户分享,如有版权问题,请
联系
站方删除。
不能下载?报告错误
下页:
企业核心员工激励机制措施
相关推荐
职员退职金给付规则
职员退职金给付规则
职员退职金给付规则
下载
免费下载
用户名称:
꧁꫞扑梦成空꫞꧂
注册时间:
2025-10-22
认证方式:
手机认证
资源帮助
上传文档
标签
江苏省标准
采购总结
贵州省标准
重庆市标准
医院工作计划
出入境检验检疫规范
项目申请
牛奶标准
河南省标准
铁路运输规范
供销合作规范
申请书模板
角钢标准
城市规划
外经贸规范
财务总结
石油化工规范
园林
水利规范
弱电
项目总结
装修
轻工业规范
平键标准
检验标准
12j201
单位总结
生产总结