规范网
更新
当前位置:
规范网
范文
内容详情
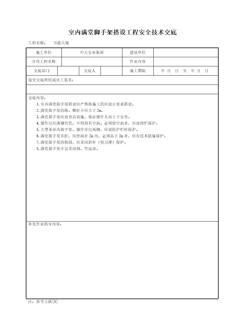
室内满堂脚手架搭设工程安全技术交底
室内满堂脚手架搭设工程安全技术交底 (室内满堂脚手架搭设规范要求有哪些)(1页)
加入收藏
下载文件
声明:资源收集自网络或用户分享,仅供学习参考,如侵犯您的权益,请联系我们处理。
不能下载?报告错误
下页:
实验大厅改造工程施工组织设计
相关推荐
室内满堂脚手架搭设工程安全技术交底
室内满堂脚手架搭设工程安全技术交底
下载文件
免费下载
标签
石油化工规范
个人工作计划
贵州省标准
链轮标准
指导性国家标准
牛奶标准
教学评语
矿泉水标准
旅游规范
胶合板标准
天津市标准
口罩标准
交通运输规范
弱电
学校工作计划
包装标准
学期总结
销售总结
钢丝螺套标准
钢球标准
暖通
电力规范
管螺纹标准
检讨书
管件标准
不锈钢标准
医药规范
海洋规范