规范网
更新
当前位置:
首页
范文
内容详情
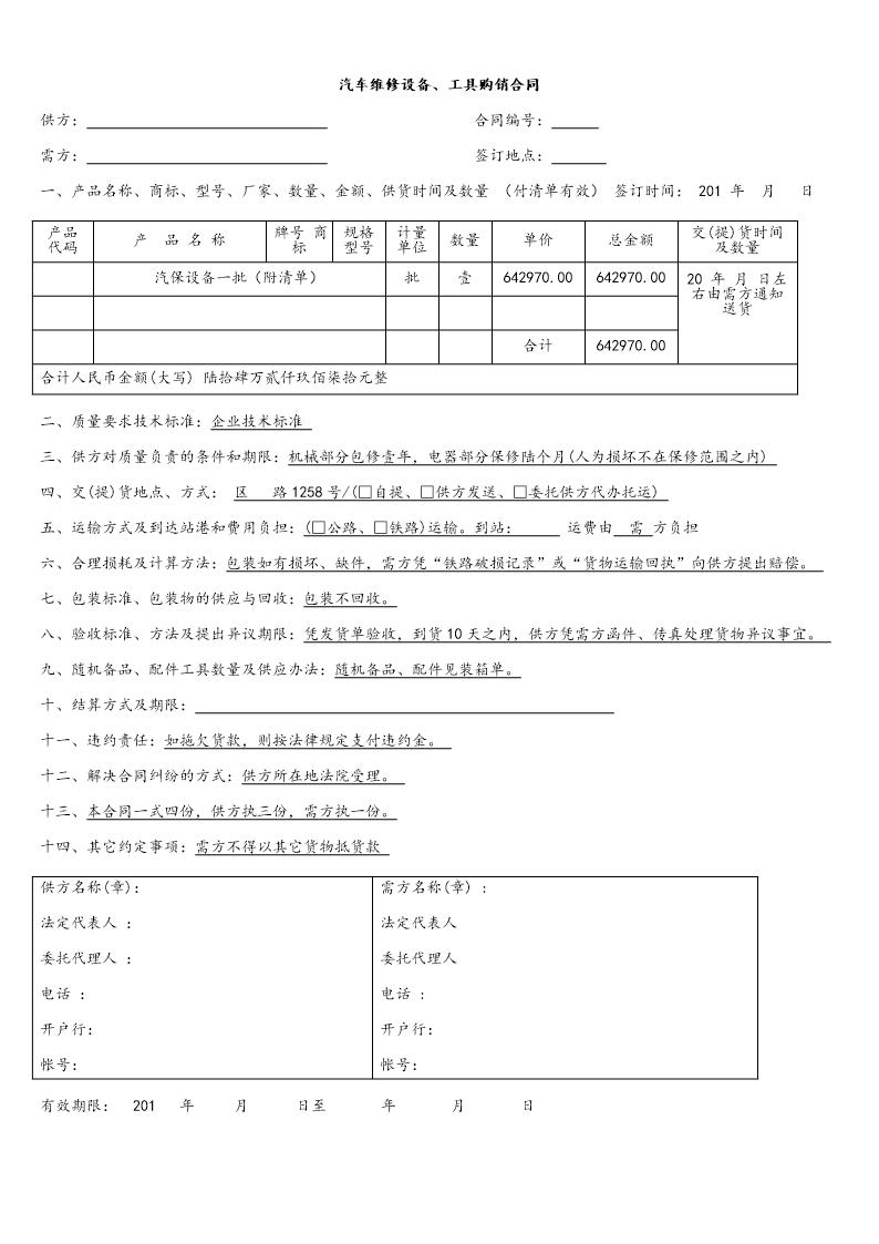
汽车维修设备 工具购销合同
帮助
举报
收藏
上传文档
下载
预览图
汽车维修设备 工具购销合同(1页)
汽车维修设备 工具购销合同
收藏
下载
声明:本站为网络服务提供者及网络索引服务平台资源索引自网络/用户分享,如有版权问题,请
联系
站方删除。
不能下载?报告错误
下页:
三人合伙开店合同
相关推荐
汽车维修标准体系构建指南 (DB3203/T 1072-2024)
汽车维修业挥发性有机物污染防治技术规范 (DB4101/T 130-2024)
汽车维修工时定额核定方法 (JT/T 1525-2024)
汽车维修行业清洁生产评价指标体系 (DB3301/T 0488-2024)
新能源汽车维修服务管理规范 (DB4403/T 547-2024)
汽车维修设备 工具购销合同
下载
免费下载
用户名称:
雾.
注册时间:
2025-02-26
认证方式:
手机认证
资源帮助
上传文档
标签
云南省标准
单位通知
文化规范
会议标准
司法规范
重庆市标准
活动总结
出入境检验检疫规范
辽宁省标准
CAD图纸、图集
转正申请
照明标准
建筑材料规范
止回阀标准
陕西省标准
包装规范
管件标准
电气
线材标准
焊接标准
文物保护规范
教育随笔
旅游规范
能源规范
项目总结
钢结构标准
牛奶标准
汽车规范