规范网
更新
当前位置:
规范网
范文
内容详情
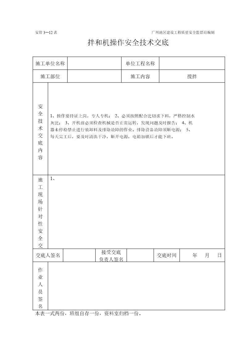
拌和机工程施工安全技术交底(表格)
拌和机工程施工安全技术交底(表格)(1页)
加入收藏
下载文件
声明:资源收集自网络或用户分享,仅供学习参考,如侵犯您的权益,请联系我们处理。
不能下载?报告错误
下页:
土方工程施工安全技术交底(表格)
相关推荐
拌和机工程施工安全技术交底(表格)
拌和机工程施工安全技术交底(表格)
下载文件
免费下载
标签
水利规范
质量管理体系标准
装修
公共安全规范
轻工业规范
个人自传
照明标准
航天规范
体育规范
垫片标准
金融规范
工程总结
平键标准
包装规范
数据标准
粉煤灰标准
中心孔标准
上海市标准
航空规范
城市道路
暖通
出差申请
阻燃标准
城市轨道
学期总结
有色金属规范
建筑材料规范
管件标准