规范网
更新
当前位置:
首页
范文
内容详情
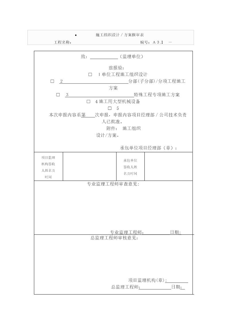
施工组织设计/方案报审表
帮助
举报
收藏
上传文档
下载
预览图
施工组织设计/方案报审表 (施工组织设计方案报审表)(3页)
施工组织设计/方案报审表
收藏
下载
声明:本站为网络服务提供者及网络索引服务平台资源索引自网络/用户分享,如有版权问题,请
联系
站方删除。
不能下载?报告错误
下页:
国旗下讲话 《相信自己》
相关推荐
水利水电工程施工组织设计
水电水利工程双护盾全断面隧道掘进机施工组织设计规范 (DL/T 5879-2024)
水电水利工程敞开式全断面隧道掘进机施工组织设计规范 (DL/T 5878-2024)
水电工程信息分类与编码 第7部分:施工组织设计 (NB/T 11564.7-2024)
大型商业综合性建筑施工组织设计(688页、含PDF及word版、中建八局建业拾捌贰期项目)
施工组织设计/方案报审表
下载
免费下载
用户名称:
何斌
注册时间:
2023-05-24
认证方式:
手机认证
资源帮助
上传文档
标签
国内贸易规范
采购总结
纪检总结
电动车标准
城市轨道
技术总结
广东省标准
15s202
噪声标准
交通运输规范
公共安全规范
最新更新
信息总结
教师发言稿
物资管理规范
园林
16g101-1
05j909
民用航空规范
卫生规范
陕西省标准
施工平面图
硬度标准
粉煤灰标准
出差申请
旅游规范
放假通知
个人自我介绍