规范网
更新
当前位置:
首页
范文
内容详情
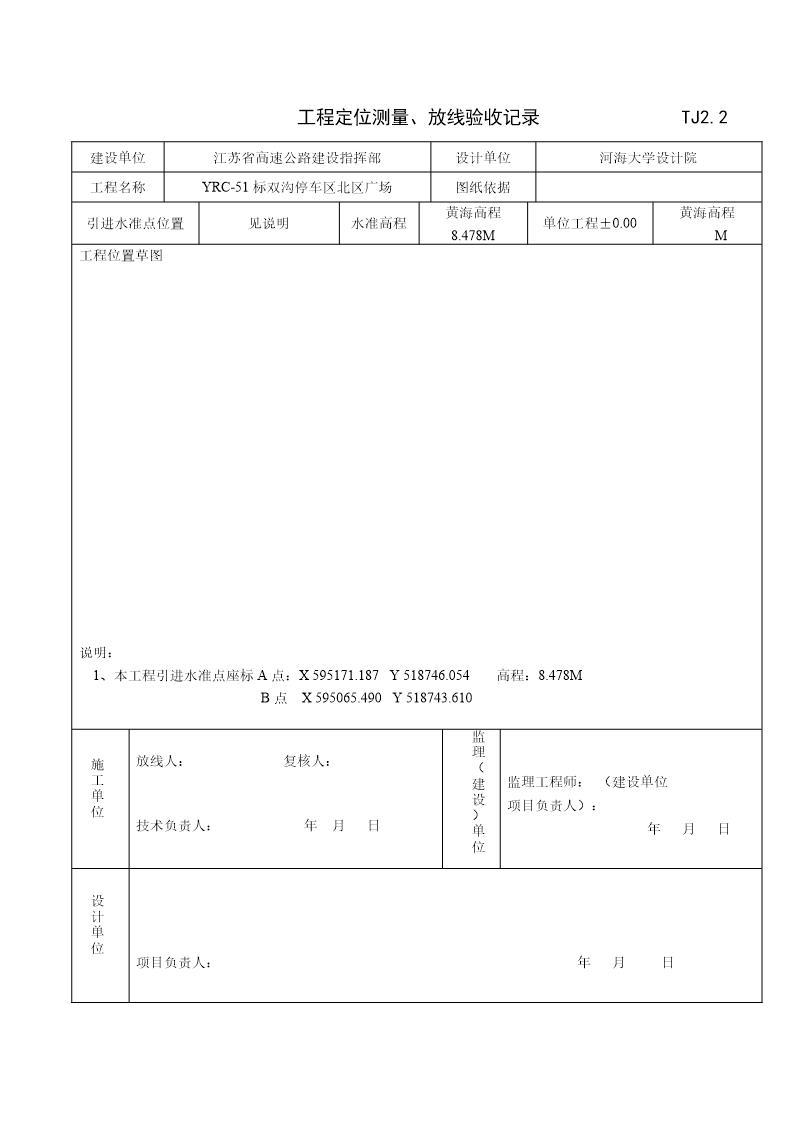
工程定位测量 放线验收记录
帮助
举报
收藏
上传文档
下载
预览图
工程定位测量 放线验收记录(2页)
工程定位测量 放线验收记录
收藏
下载
声明:本站为网络服务提供者及网络索引服务平台资源索引自网络/用户分享,如有版权问题,请
联系
站方删除。
不能下载?报告错误
下页:
压实度报告汇总表
相关推荐
工程定位测量 放线验收记录
工程定位测量、放线验收记录 表.doc
工程定位测量 放线验收记录
下载
免费下载
用户名称:
OrangeL
注册时间:
2024-10-29
认证方式:
手机认证
资源帮助
上传文档
标签
矿泉水标准
人事总结
安全生产
动力学
食品安全标准
过滤器标准
管道标准
教师工作计划
文物保护规范
钢结构标准
学期总结
06ms201-3
公司总结
弱电
平垫圈标准
个人自传
旅游规范
辽宁省标准
噪声标准
宁夏回族自治区标准
装修
客服总结
焊接标准
机械制图标准
教师发言稿
16g101-1
石油天然气规范
学校领导讲话稿