规范网
更新
当前位置:
规范网
范文
内容详情
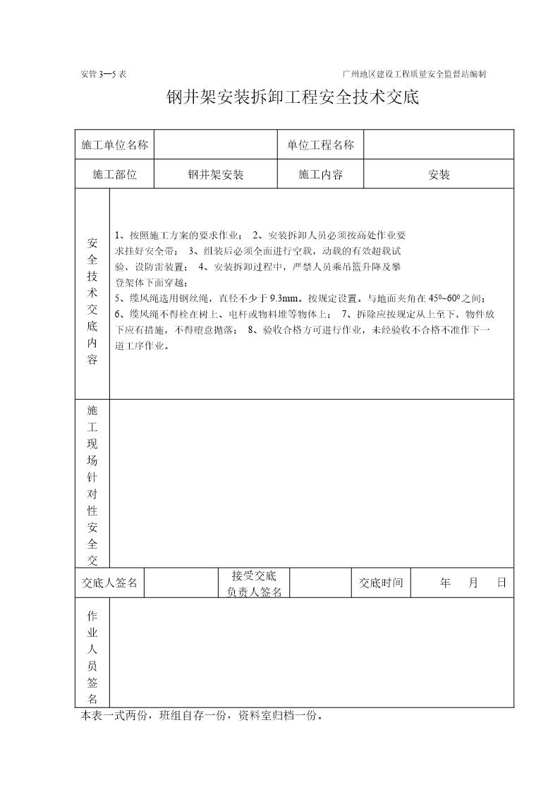
钢井架安装卸工程施工安全技术交底(表格)
钢井架安装卸工程施工安全技术交底(表格)(2页)
加入收藏
下载文件
声明:资源收集自网络或用户分享,仅供学习参考,如侵犯您的权益,请联系我们处理。
不能下载?报告错误
下页:
建筑电气分部工程
相关推荐
某学院阶梯教学室 造型艺术北楼钢井架安装拆卸方案
钢井架安装卸工程施工安全技术交底(表格)
钢井架安装卸工程施工安全技术交底(表格)
下载文件
免费下载
标签
土地管理规范
12j201
体育规范
物资管理规范
邮政规范
阻燃标准
单位通知
城市轨道
财务总结
照明标准
球墨铸铁管标准
石油化工规范
纪检总结
钢球标准
结构
钢结构标准
文化规范
汽车规范
个人自传
城镇建设规范
食品安全标准
饮用水标准
陕西省标准
安全帽标准
银行总结
出入境检验检疫规范
焊接标准
不锈钢管标准