规范网
更新
当前位置:
规范网
范文
内容详情
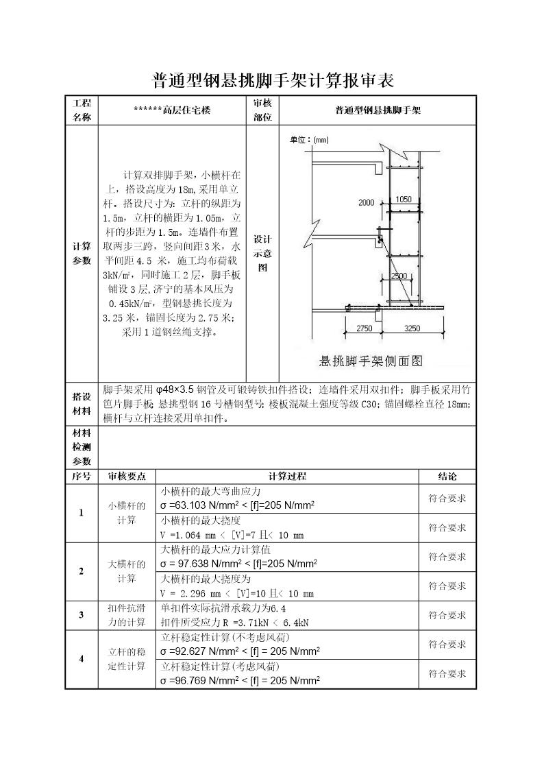
普通型钢悬挑脚手架计算报审表
普通型钢悬挑脚手架计算报审表 (普通型钢悬挑脚手架图片)(2页)
加入收藏
下载文件
声明:资源收集自网络或用户分享,仅供学习参考,如侵犯您的权益,请联系我们处理。
不能下载?报告错误
下页:
终止劳动合同通知书
相关推荐
普通型钢悬挑脚手架计算报审表
热轧普通型钢标准节点通用图(焊接连接) (HG/T 21610-1996)
H型钢和普通型钢节点图 D-CV110301C-2009
HG 21610-1996 热轧普通型钢标准节点通用图(焊接连接)
热轧普通型钢标准节点通用图(焊接连接) (HG 21610-1996)
普通型钢悬挑脚手架计算报审表
下载文件
免费下载
标签
思想汇报
客服总结
应急管理规范
路桥
重庆市标准
食用油标准
角钢标准
会议标准
机械制图标准
市政
疏水阀标准
税务规范
钢丝绳标准
黑龙江省标准
纺织规范
牛奶标准
锻件标准
平垫圈标准
陕西省标准
cad制图标准
医院工作计划
通信规范
宁夏回族自治区标准
劳动和劳动安全规范
探伤标准
平键标准
污染物排放标准
硬度标准