如何计算特殊保护装置安装工程量?
清单工程量与定额工程量计算规则相同,均按设计图示数量计算。
项目编码:030211007项目名称:避雷器
项目编码:030211001项目名称:电力变压器系统
项目编码:030211006项目名称:母线
项目编码:030211002项目名称:送配电装置系统
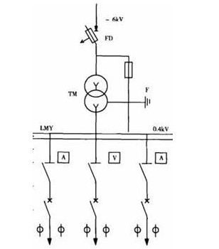
[例]如图所示为某配电所主接线图,能从该图中计算出哪些调试?并计算工程量。

某配电所主接线路
[解]所需计算的调试与工程量如下:
(1)避雷器调试1组
(2)变压器系统调试1个系统
(3)1kV以下母线系统调试1段
(4)1kV以下供电送配电系统调试3个系统
(5)特殊保护装置调试1套
清单工程量计算见表。
