如何计算踏步式铁梯工程量?
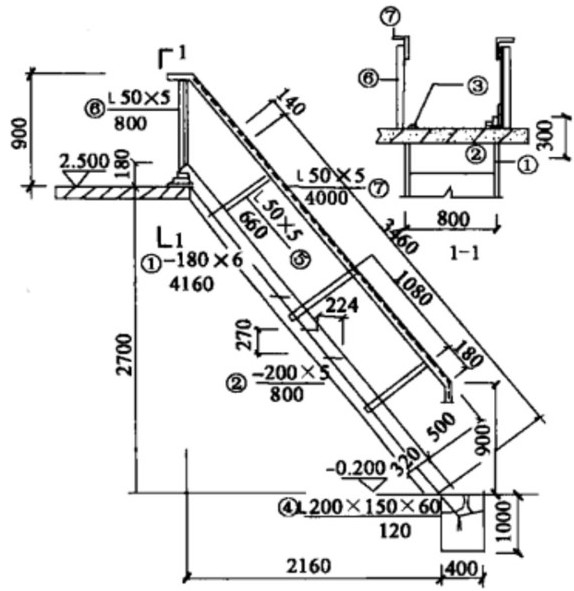
【例】如图所示,计算踏步式铁梯工程量。

踏步式铁梯示意图
【解】(1)定额工程量:
踏步式铁梯工程量按设计图示几何尺寸,计算出长度后再折算成重量,以重量吨为单位计算,工程量如下:
1)1806 L=4160
20.184.1647.1kg=70.54kg
2)2005L=800
2.7/0.30.70.239.25kg
=90.70.239.25kg=49.46kg
3)L10010 L=120
20.1215.12kg=3.63kg
4)120015060 L=120
40.1242.34kg=20.32kg
5)1505 L=660
60.663.77kg=14.92kg
6)1505 L =800
20.83.77kg=6.03kg
7)1505 L =4000
243.77kg=30.16kg
主材总重量:
70.54+49.46+3.63+20.32+14.92+6.03+30.16=195.06kg=0.195t
套用基础定额12-38。
(2)清单工程量计算方法同定额工程量。
清单工程量计算见表。
