如何计算墙体工程量?
【例】 求如图所示的墙体工程量。

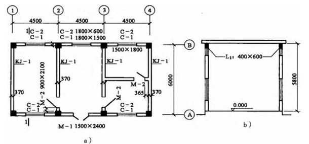
某工程示意图 a )平面图 b ) 1- 1 剖面图
KJ-I :柱400 mm400 mm,梁 400 600 mm
【解】(1)定额工程量:
外墙体积:V外=(框架间净长框架间净高-门窗面积)墙厚
=(4.1325.2+5.625.2-1.52.4-1.81.55-1.80.65)0.365m3
=(186.16-22.5)0.365m3=59.74m3
套用基础定额4-11。
内墙体积:V内=(框架间净长框架间净高-门窗面积)墙厚
=[5.625.2+(4.5-0.365)5.2-0.92.13]0.365m3
=74.070.365m3=27.04m3
套用基础定额4-11。
(2)清单工程量计算方法同定额工程量。清单工程量计算见表。
表 清单工程量计算表
序号
项目编码
项目名称
项目特征描述
计量单位
工程量
1
010302001001
实心砖墙
外墙,墙体厚365mm,墙体高5.2m
m3
59 . 74
2
010302001002
实心砖墙
外墙,墙体厚365mm,墙体高5.2m
m3
27 . 04