如何计算附墙烟囱工程量?
砖烟囱、水塔
定额和清单中计算砖烟囱、水塔工程量均以设计图示筒壁平均中心线周长乘以厚度乘以高度以体积(m3)计算。扣除各种孔洞、钢筋混凝土圈梁、过梁等的体积。
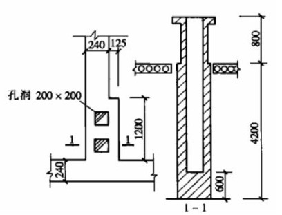
【例】附墙烟囱(包括附墙通风道、垃圾道)及采暖锅炉烟囱、如图所示,试计算其工程量。

某附墙烟囱
【解】(1)定额工程量:
按其外形体积计算,并入所依附的墙体积内,不扣除每一孔洞横断面积在0.1 m3以内的体积,孔洞内抹灰工程亦不增加;如每一孔洞横断面积超过0.1 m3时,应扣除孔洞所占体积孔洞内的抹灰亦另列项目计算。
附墙烟囱工程量为:
V=0.125124.2=0.63m
套用基础定额4-5。
注:孔洞横断面积为0.20.2=0.040.1m2,故不应扣除。
(2)清单工程量:
V=(0.1251.24.2-0.20.24.2)m=0.46m
清单工程量计算见表。
表 清单工程计算表
项目编码
项目名称
项目特征描述
计量单位
工程量
010303001001
砖烟囱、水塔
筒身高4.2m
m3
0.46