如何计算砖柱工程量?
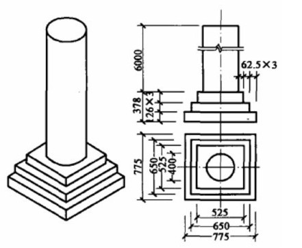
【例】如图所示,试求该砖柱工程量。

某砖柱示意图
【解】(1)定额工程量:
圆形砖柱工程量按图示尺寸分别计算基础四周大放脚和柱身的体积,汇总后执行圆形砖柱定额。
圆形砖柱基础体积为:
V1=0.126(0.5250.525+0.650.65+0.7750.775)m
=0.1261.29875m=0.164m
套用基础定额4-10
圆形砖柱身体积为:
V2=(0.4/2)26=0.754 m
套用基础定额4-44。
圆形砖柱体积为:
y=V1+V2=(0.164+0.754)m=0.918 m
(2)清单工程量计算方法同定额工程量。
清单工程量计算见表。
表 清单工程计算表
序号
项目编码
项目名称
项目特征描述
计量单位
工程量
1
010301001001
砖基础
等高式大放脚,基础深0.378m
m3
0.164
2
010302005001
实心砖柱
圈形砖柱,柱外径400mm.柱高6m
m3
0.754