建筑工程钢筋配料计算实例
已知某教学楼钢筋混凝土框架梁KL1的截面尺寸与配筋见图9-55,共计5根。混凝土强度等级为C25。求各种钢筋下料长度。

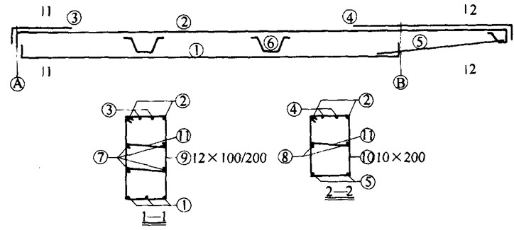
图9-55 钢筋混凝土框架梁KLl平法施工图
[解] 1.绘制钢筋翻样图
根据本手册9-2配筋构造的有关规定,得出:
(1)纵向受力钢筋端头的混凝土保护层为25mm;
(2)框架梁纵向受力钢筋25的锚固长度为3525=875mm,伸入柱内的长度可达500-25=475mm,需要向上(下)弯400mm;
(3)悬臂梁负弯矩钢筋应有两根伸至梁端包住边梁后斜向上伸至梁顶部;
(4)吊筋底部宽度为次梁宽+250mm,按45向上弯至梁顶部,再水平延伸20d=2018=360mm。
对照KL1框架梁尺寸与上
述构造要求,绘制单根钢筋翻样图(图9-56),并将各种钢筋编号。

图9-56 KL1框架梁钢筋翻样图
2.计算钢筋下料长度
计算钢筋下料长度时,应根据单根钢筋翻样图尺寸,并考虑各项调整值。
①号受力钢筋下料长度为:
(7800-225)+2400-2225=8450mm
②号受力钢筋下料长度为:
(9650-225)+400+350+200+500-3225-0.525=10888mm
⑥号吊筋下料长度为:
350+2(1060+360)-40.525=3140mm
⑨号箍筋下料长度为:
2(770+270)+70=2150mm
⑩号箍筋下料长度,由于梁高变化,因此要先按公式(9-7)算出箍筋高差△。
箍筋根数n=(1850-100)/200+1=10,箍筋高差△=(570-370)/(10-1)=22mm
每个箍筋下料长度计算结果列于表9-27。
钢筋配料单 表9-27
构件名称:KL1梁,5根

