建筑工程钢筋施工卷扬机拉直设备是什么?
卷扬机拉直设备见图9-61所示。两端采用地锚承力。冷拉滑轮组回程采用荷重架,标尺量伸长。该法设备简单,宜用于施工现场或小型构件厂。

图9-61 卷扬机拉直设备布置
1-卷扬机;2-滑轮组;3-冷拉小车;4-钢筋夹具;
5-钢筋;6-地锚;7-防护壁;8-标尺;9-荷重架
钢筋夹具常用的有:月牙式夹具和偏心式夹具。
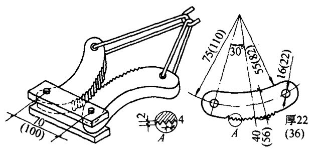
月牙式夹具的构造与尺寸,见图9-62所示。其夹片宜用45号钢制作,经热处理后的硬度HRC=40~45。钢筋夹持点宜在夹片的中下部位。这种夹具主要靠杠杆力和偏心力夹紧,使用方便,适用于HPB235级及HRB335级粗细钢筋。

图9-62 月牙式夹具
偏心式夹具的构造与尺寸,见图9-63所示。偏心块及其齿条宜采用45号钢制作,经热处理后的硬度HRC=35~40。这种夹具轻巧灵活,适用于HPB235级盘圆钢筋拉直,特别是当每盘最后不足定尺长度时,可将其钩在挂链上,使用方便。
