规范网
更新
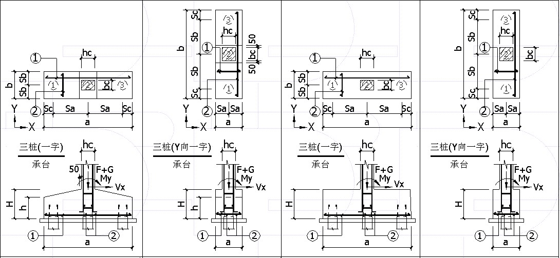
结构施工图中三桩承台图例
结构施工图中三桩承台图例
A
B
C
D
结构施工图,三桩承台
展开剩余
%
加入收藏
上一篇:
结构施工图中二桩承台图例
楼盖竖向自振频率的限值
:下一篇
相关推荐
结构施工图中二桩承台图例
结构施工图中五桩承台的画法
结构施工图中四桩承台图例
结构施工图中六桩承台的画法
门式刚架结构施工图有哪些审查要点