(一)概述
1、结构施工图的主要内容
( 1)结构设计说明 1)主要设计依据
2)自然条件及使用条件
3)施工要求
4)材料的质量要求
(2)结构布置平面图 1)基础平面图
2)楼层结构平面图
3)屋顶结构平面图
(3)构件详图 1)梁、板、柱及基础结构详图
2)楼梯结构详图
3)屋架结构详图
4)其它构件详图
2、常用构件代号
规定:将构件的名称用代号表示。
表示方法:用构件名称的汉语拼音字母中的第一字母表示。
如: 圈梁 QL 过梁 GL 屋面板 WB
框架 KJ 阳台 YT 现浇板 XB
(二)钢筋混凝土结构的基本知识
1、钢筋混凝土构件和详图
(1)构件受力状况

(2)钢筋混凝土构件:用钢筋混凝土制成的梁、板、柱、基础等构件称为钢筋混凝土构件。
(3)钢筋混凝土结构:全部用钢筋混凝土构件承重的结构称为钢筋混凝土结构。
2 、混凝土的强度等级和钢筋的强度等级
(1)混凝土的强度等级: C15、C20、 C25、 C30、 C35 、C40、C45、C50、 C55、 C60 混凝土的强度等级愈高,其抗压强度愈高。
(2)钢筋的强度等级:钢筋种类、级别和代号
3、钢筋的名称和作用

(三)、钢筋的名称和作用

1)受力筋 构件中承受拉应力和压应力的钢筋。用于梁、板、柱等各种钢筋混凝土构件中。
2)箍筋 构件中承受一部分斜拉应力(剪应力),并固定纵向钢筋的位置。用于梁和柱中。
3)架立筋 与梁内受力筋、箍筋一起构成钢筋的骨架。
4)分布筋 与板内受力筋一起构成钢筋的骨架,垂直于受力筋。
5)构造筋 因构造要求和施工安装需要配置的钢筋。
钢筋的保护层 :为了使钢筋在构件中不被锈蚀,加强钢筋与混凝土的粘结力,在各种构件中的受力筋外面,必须要有一定厚度的混凝土,这层混凝土就被称为保护层。
4钢筋的弯钩
1)标准的半圆弯钩:一个弯钩需增加长度为6.25d。
例如:直径为20的钢筋弯钩长度为6.25 x 20=125mm,一般取130mm。
2)箍筋弯钩: 箍筋分为封闭式、开口式、抗扭式三种。
封闭式和开口式箍筋的弯钩的平直部分长度同半圆弯钩一样取 5d。抗扭
式箍筋弯钩的平直部分长度按设计确定,一般取10d。
钢筋弯钩形式如下图:

5、钢筋的表示方法

(三)钢筋混凝土构件的图示方法和尺寸注法
1、图示方法
钢筋混凝土构件详图是加工制作钢筋、浇筑混凝土的依据,其内容包括模板图、配筋图、钢筋表和文字说明等。
1)模板图 主要表示构件的外形、尺寸、标高以及预埋件的位置等,作为制作、安装模板和预埋件的依据。
2)配筋图 主要用来表示构件内部钢筋布置情况的图样。它分为立面图、断面图和钢筋详图。
立面图 主要表示构件内钢筋的形状及其上下排列位置。
断面图 主要表示构件内钢筋的上下和前后配置情况以及箍筋形状等。钢筋详图 主要表示构件内钢筋的形状。

3)钢筋表

2尺寸注法
1)标注钢筋的根数和直径

2)标注钢筋的种类、直径和相邻钢筋的中心距离

3、实例


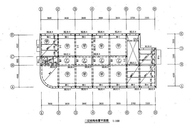
(四)楼层、屋面结构平面图:二者结构平面布置和表示方法基本相同。
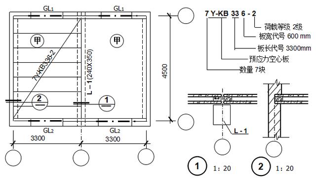
楼层结构平面图:有预制板与现浇板两种布置方法。
预制楼板结构平面图主要表示预制梁、板及其它构件的位置、数量及连接方法。其内容一般包括结构平面图、节点详图、构件统计表及文字说明。

在排板设计中,当不能排满整个房间,与房间平面尺寸出现差额时,可采用下述办法解决:
1、适当调整板缝宽度(缝隙小于60mm)。
2、挑砖。
3、局部现浇钢筋混凝土板带。

因预制板是分块制作和安装的,故在每个不同的结构单元用细实线分块画出板的铺设方向和画上一对角线,并沿对角线上(或下)方,写出预制板的数量、代号、和编号。如有相同的结构单元时,可简化在其上写出相同的单元编号,其于内容可省略。

图示内容: 1)比例 2)线形 3)图例 4)尺寸
(五)基础图
1、基础平面图
产生:假设用一水平剖切面,沿建筑物底层室内地面把整栋建筑物剖切开,移去截面以上的建筑物和基础回填土后,作水平投影,就得到基础平面图。
内容:主要表示基础的平面布置以及墙、柱与轴线的关系。
2、基础详图
内容:主要表示基础各部分的形状、大小、材料、构造以及基础的埋置深度等。



