一、带指示灯的电动机起动停止电路
带指示灯的电动机起动停止线路在工作生产中是最常见的一种控制线路,它具有单方向控制电动机起停,并有自锁、短路保护和过载动作保护作用。

二、单向控制电动机磁力起动线路
在工矿的生产中,控制线路应用最多的是单向控制电动机磁力起动线路。

三、电动机多点控制线路
在工作中,电工朋友还常常遇到可在两三个地方同时都能对一个电气设备进行操作控制,这样大大满足了操作人员的需要。

四、单线远程正反转控制电路

五、三相异步电动机改为单相运行

工作电容量的计算公式:

当计算出工作电容后,起动电容选用工作电容的1~4倍。
六、单相电容电动机的接线
单相电容电动机起动转矩大,起动电流小,功率因数高,广泛应用于家用电器中,如电风扇、洗衣机。



七、一种三相异步电动机低速运行的方法

八、断电限位器线路
断电限位器也称断火限位器,它广泛应用在工矿的起重行车上。

使用断电限位器应注意以下几点:
1.接线时按照线路图连接进入的5根电源线,接好后,再把电动机负荷线接在断电限位器的接线端子上。
2.在使用断电限位器前,要调整导程器的挡板,使行车的吊钩在上到最高位或最低位时都能正好撞击导程器动作(因挡板是固定在导程器连杆上的),从而使导程器在上限或下限极动作后,都能拉动或推动断电限位器连动杆,最后使断电限位器动作,断开电动机主电源。
3.如果导程器在动作后电动机能够停转,但在换相后电动机却不能重新反方向运行,说明断电限位器控制点接反,可任意换接一下电动机的三相电源线中的两根导线即可解决。
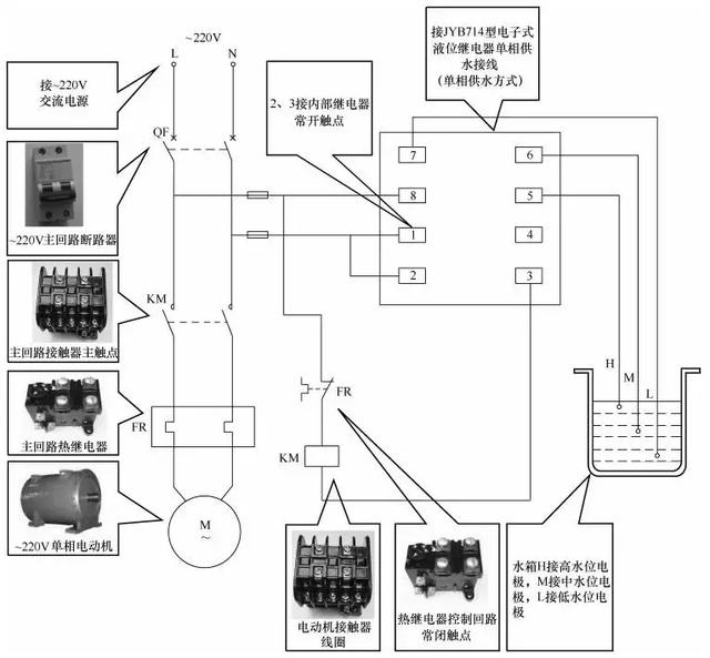
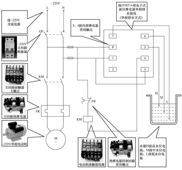
九、供水、排水应用线路
供水、排水应用线路在电工工作中也是非常常见的应用线路之一,过去它广泛应用于工业生产中,但随着近年来高层建筑的不断增多,大型住宅区也需二次供水,另外有些城市地下污水的排水也用到排水自动控制,下面分别介绍几种电动机常用供水、排水控制线路供电工朋友根据自己实际工作需求选用和维修。
JYB714型电子式液位继电器供水方式220V单相电动机自动控制线路

JYB714型电子式液位继电器供水方式380V三相电动机自动控制线路

JYB714型电子式液位继电器排水方式220V单向电动机自动控制线路

JYB714型电子式液位继电器排水方式380V三相电动机自动控制线路

十、变频调速电动机正转控制线路

在使用过程中应注意以下几点:
1.变频器的接线必须严格按产品上标注的符号对号入座,R、S、T是变频器电源线输入端,接电源线,U、V、W是变频器的输出端,接交流电动机。一旦将电源进线误接到U、V、W端上,将电动机误接到R、S、T端上,必将引起相间短路而烧坏变频器。
2.模拟量的控制线所用的屏蔽线,应接到变频器的公共端(COM),但不要接到变频器的接地端或地。
3.控制线不要与主电路的导线交叉,无法回避时可采取垂直交叉方式布线。控制线与主电路的导线的间距应大于100mm。
4.变频器有一个接地端,用户应将这个端子与地相接。如果多台变频器一起使用,则每台设备必须分别与地相接,不得串联后再与地相接。