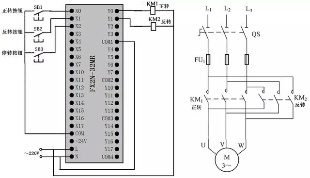
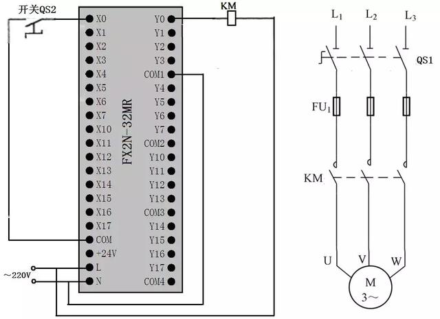
起动、自锁和停止控制可采用驱动指令(OUT),也可以采用置位指令(SET、RST)来实现。
1.采用线圈驱动指令实现起动、自锁和停止控制


线路与梯形图说明如下:
当按下起动按钮SB1时,PLC内部梯形图程序中的起动触点X000闭合,输出线圈Y000得电,输出端子Y0内部硬触点闭合,Y0端子与COM端子之间内部接通,接触器线圈KM得电,主电路中的KM主触点闭合,电动机得电起动。
当按下停止按钮SB2时,PLC内部梯形图程序中的停止触点X001断开,输出线圈Y000失电, Y0、COM端子之间的内部硬触点断开,接触器线圈KM失电,主电路中的KM主触点断开,电动机失电停转。
2.采用置位复位指令实现起动、自锁和停止控制

其PLC接线图与上面是一样的。
线路与梯形图说明如下:
当按下起动按钮SB1时,梯形图中的起动触点X000闭合,[SET Y000]指令执行,指令执行结果将输出继电器线圈Y000置1,相当于线圈Y000得电,使Y0、COM端子之间的内部硬触点接通,接触器线圈KM得电,主电路中的KM主触点闭合,电动机得电起动。
当按下停止按钮SB2时,梯形图程序中的停止触点X001闭合,[RST Y000]指令被执行,指令执行结果将输出线圈Y000复位,相当于线圈Y000失电,Y0、COM端子之间的内部硬触点断开,接触器线圈KM失电,主电路中的KM主触点断开,电动机失电停转。
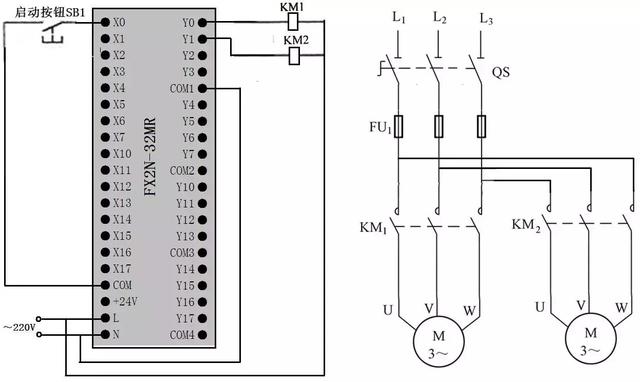
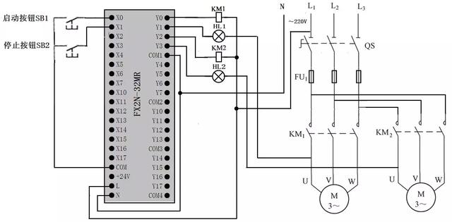
正、反转联锁控制的PLC线路与梯形图


线路与梯形图说明如下:
1)正转联锁控制。按下正转按钮SB1梯形图程序中的正转触点X000闭合线圈Y000得电Y000自锁触点闭合,Y000联锁触点断开,Y0端子与COM端子间的内部硬触点闭合Y000自锁触点闭合,使线圈Y000在X000触点断开后仍可得电;Y000联锁触点断开,使线圈Y001即使在X001触点闭合(误操作SB2引起)时也无法得电,实现联锁控制;Y0端子与COM端子间的内部硬触点闭合,接触器KM1线圈得电,主电路中的KM1主触点闭合,电动机得电正转。
2)反转联锁控制。按下反转按钮SB2梯形图程序中的反转触点X001闭合线圈Y001得电Y001自锁触点闭合,Y001联锁触点断开,Y1端子与COM端子间的内部硬触点闭合Y001自锁触点闭合,使线圈Y001在X001触点断开后继续得电;Y001联锁触点断开,使线圈Y000即使在X000触点闭合(误操作SB1引起)时也无法得电,实现联锁控制;Y1端子与COM端子间的内部硬触点闭合,接触器KM2线圈得电,主电路中的KM2主触点闭合,电动机得电反转。
3)停转控制。按下停止按钮SB3梯形图程序中的两个停止触点X002均断开线圈Y000、Y001均失电接触器KM1、KM2线圈均失电主电路中的KM1、KM2主触点均断开,电动机失电停转。
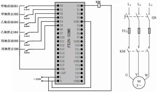
多地控制的PLC线路与梯形图

(1)单人多地控制

甲地起动控制。在甲地按下起动按钮SB1时X000常开触点闭合线圈Y000得电Y000常开自锁触点闭合,Y0端子内部硬触点闭合Y000常开自锁触点闭合锁定Y000线圈供电,Y0端子内部硬触点闭合使接触器线圈KM得电主电路中的KM主触点闭合,电动机得电运转。
甲地停止控制。在甲地按下停止按钮SB2时X001常闭触点断开线圈Y000失电Y000常开自锁触点断开,Y0端子内部硬触点断开接触器线圈KM失电主电路中的KM主触点断开,电动机失电停转。
(2)多人多地控制

起动控制。在甲、乙、丙三地同时按下按钮SB1、SB3、SB5线圈Y000得电Y000常开自锁触点闭合,Y0端子的内部硬触点闭合Y000线圈供电锁定,接触器线圈KM得电主电路中的KM主触点闭合,电动机得电运转。
停止控制。在甲、乙、丙三地按下SB2、SB4、SB6中的某个停止按钮时线圈Y000失电Y000常开自锁触点断开,Y0端子内部硬触点断开Y000常开自锁触点断开使Y000线圈供电切断,Y0端子的内部硬触点断开使接触器线圈KM失电主电路中的KM主触点断开,电动机失电停转。
定时控制的PLC线路与梯形图
1.延时起动定时运行控制的PLC线路与梯形图


它可以实现的功能是:按下起动按钮3秒钟后,电动机起动运行,运行5秒钟后自动停止。
PLC线路与梯形图说明如下:

2.多定时器组合控制的PLC线路与梯形图


它可以实现的功能是:按下起动按钮后电动机B马上运行,30秒钟后电动机A开始运行,70秒后电动机B停转,100秒后电动机A停转。
PLC线路与梯形图说明如下:

定时器与计数器组合延长定时控制的PLC线路与梯形图
三菱FX系列PLC的最大定时时间为3276.7s(约54min),采用定时器和计数器可以延长定时时间。


PLC线路与梯形图说明如下:

图中的定时器T0定时单位为0.1s(100ms),它与计数器C0组合使用后,其定时时间T=300000.1秒30000=90000000秒=25000小时。若需重新定时,可将开关QS2断开,让[2]X000常闭触点闭合,让RST C0指令执行,对计数器C0进行复位,然后再闭合QS2,则会重新开始250000小时定时。
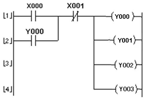
多重输出控制的PLC线路与梯形图


PLC线路与梯形图说明如下:
(1)起动控制

(2)停止控制

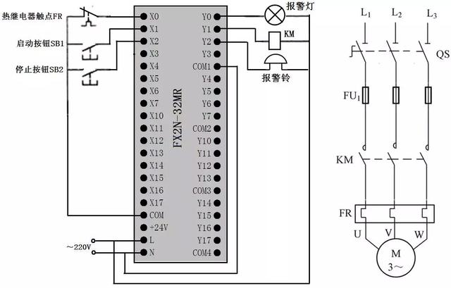
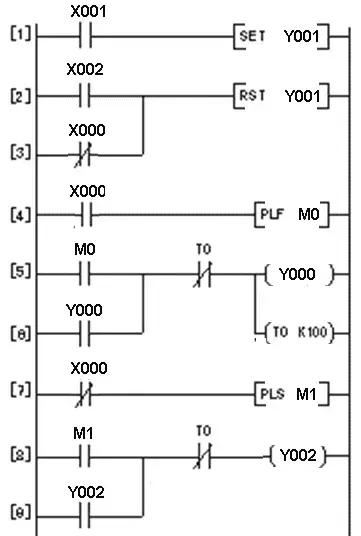
过载报警控制的PLC线路与梯形图


PLC线路与梯形图说明如下:
(1)起动控制
按下起动按钮SB1[1]X001常开触点闭合[SET Y001]指令执行Y001线圈被置位,即Y001线圈得电Y1端子内部硬触点闭合接触器KM线圈得电KM主触点闭合电动机得电运转。
(2)停止控制
按下停止按钮SB2[2]X002常开触点闭合[RST Y001]指令执行Y001线圈被复位,即Y001线圈失电Y1端子内部硬触点断开接触器KM线圈失电KM主触点断开电动机失电停转。
(3)过载保护及报警控制


闪烁控制的PLC线路与梯形图

线路与梯形图说明如下:
将开关QS闭合X000常开触点闭合定时器T0开始3s计时3s后,定时器T0动作,T0常开触点闭合定时器T1开始3s计时,同时Y000得电,Y0端子内部硬触点闭合,灯HL点亮3s后,定时器T1动作,T1常闭触点断开定时器T0复位,T0常开触点断开Y000线圈失电,同时定时器T1复位Y000线圈失电使灯HL熄灭;定时器T1复位使T1闭合,由于开关QS仍处于闭合,X000常开触点也处于闭合,定时器T0又重新开始3s计时。
以后重复上述过程,灯HL保持3s亮、3s灭的频率闪烁发光。
练习
1.喷泉的PLC控制

系统要求用两个按钮来控制A、B、C三组喷头工作(通过控制三组喷头的电动机来实现),三组喷头排列如图4-32所示。系统控制要求具体如下:
当按下起动按钮后,A组喷头先喷5s后停止,然后B、C组喷头同时喷,5s后,B组喷头停止、C组喷头继续喷5s再停止,而后A、B组喷头喷7s,C组喷头在这7s的前2s内停止,后5s内喷水,接着A、B、C三组喷头同时停止3s,以后重复前述过程。按下停止按钮后,三组喷头同时停止喷水。
2.交通信号灯的PLC控制

系统要求用两个按钮来控制交通信号灯工作,交通信号灯排列如图4-36所示。系统控制要求具体如下:
当按下起动按钮后,南北红灯亮25s,在南北红灯亮25s的时间里,东西绿灯先亮20s再以1次/s的频率闪烁3次,接着东西黄灯亮2s,25s后南北红灯熄灭,熄灭时间维持30s,在这30s时间里,东西红灯一直高,南北绿灯先亮25s,然后以1次/s频率闪烁3次,接着南北黄灯亮2s。以后重复该过程。按下停止按钮后,所有的灯都熄灭。
由于内容比较简单,所以先不给出后续的内容了,大家可以自己练习一下!如有必要请留言,我会在后面的推送中补上这块内容。