一、综述
10kV开关柜的主要部分包括:真空断路器、电流互感器、就地安装的微机保护装置、操作回路附件(把手、指示灯、压板等等)、各种位置辅助开关。其中,断路器与电流互感器安装在开关柜内部,微机保护、附件、电度表安装在继电器室(沿用以前的叫法,其实已经没有继电器了)的面板上,端子排与各种电源空气开关安装在继电器室内部,端子排通过控制电缆或专用插座与断路器机构连接。

▲图1-1
理解开关柜的二次接线,我们需要找到两份图纸:综自厂家提供的保护原理图、接线图;开关柜厂家提供的二次原理图、配线图、端子排图、断路器机构原理图。
综自厂的图纸是开关柜厂家的设计原始依据,也是我们审核开关柜厂家图纸的依据。开关厂的原理图一般都是根据综自厂的原理图修改的,再示意性的画出电流、电压、信号量的输入,控制量的输出。
二、10kV电缆出线中置柜的二次接线
KYN28A(GZS1)中置柜是城区变电站使用最多的10kV开关柜型式,从正面看,它明显分成三部分,最上面是继电器室,中间是断路器室,下面是空室(什么也没有),母线等高压设备安装在背面的柜体内。如图2-1所示。

▲图2-1
1继电器室
继电器室的面板上,安装有微机保护装置、操作把手、保护出口压板、指示灯(合位红灯、分位绿灯、储能完成黄灯);继电器室内,安装有端子排、微机保护控制回路直流电源开关、微机保护工作直流电源、储能电机工作电源开关(直流或交流)。图2-1是早期开关柜的图片,继电器室就是安装电流表和指示灯的位置。
2断路器室
10kV中置柜最常用的断路器是VS1真空断路器,断路器机构内的接线通过专用插座与继电器室的端子排联接。插头的一段与断路器机构固定连接,另一段是一个专用插头,配套的插座安装在断路器室的右上方,从插座引出线接至继电器室端子排。为了搞明白二次回路,我们需要对操作过程进行一定的了解。
中置柜断路器手车有三个位置:断开、试验、运行(需要注意的是,断路器手车和断路器是两个概念,断路器手车其实就是断路器和它的座)。正常运行时,断路器手车在运行位置,断路器在合闸位置,二次线插头与插座联接;手动跳闸后,断路器在分闸状态、手车在运行位置;用专用摇把将断路器手车摇出,至试验位置,可以将二次插头拔下(手车在运行位置时拔不下来);继续摇,手车退出断路器室,处于断开位置。
断开位置:断路器与一次设备(母线)没有联系,失去操作电源(二次插头已经拔下),断路器处于分闸位置;
试验位置:二次插头可以插在插座上,获得电源。断路器可以进行合闸、分闸操作,对应指示灯亮;断路器与一次设备没有联系,可以进行各项操作,但是不会对负荷侧有任何影响,所以称为试验位置。
运行位置:断路器与一次设备有联系,合闸后,功率从母线经断路器传至输电线路。
中置柜没有传统意义上隔离开关的概念,手车在试验位置时,就相当于传统的隔离开关断开,即断路器与主电路(一次母线)有了明显断开点。
图2-2、图2-3所示为VS1真空断路器、GZS开关柜内部剖面。

▲图2-2

▲图2-3
图2-2中的就是VS1断路器手车,它像个抽屉一样放在开关柜里,紫色框内就是轨道上的滑轮,红色框内是二次接线插头(处于拔下状态),绿色框内是断路器的动触头。图2-3中框内设备与图2-2相同,二次接线插头处于插上位置。
我们选用的模型是:微机保护选用南瑞RCS-9611A,开关柜选用常熟开关厂KZN1开关柜。(不同厂家的中置柜有各种各样稀奇古怪的型号 )
3RCS-9611A
RCS-9611A是南瑞公司用于小电流接地系统线路的微机保护装置,配置三段式过流、三段式零序过流/小电流接地选线、重合闸。其电流电压回路如图2-4,操作回路如图2-5,开入量回路如图2-6。

▲图2-4
图2-4中可以看出,需要接入的模拟量是:母线电压、线路电压(几乎没有10kV线路会装设线路PT)、保护电流(三相,实际工程中10kV线路一般只配置两相CT)、测量电流(两相)、零序电流。

▲图2-5
图2-5中可以看出,这个操作回路比RCS-941的操作回路简单了很多。红色框内的设备(把手、压板)并不是RCS-9611的一部分,它们由开关柜厂家提供,安装在继电器室面板上。

▲图2-6
图2-6为装置的遥信回路。与110kV电压等级设备的保护装置不同,35/10kV设备的保护、测控是一体化设计,即整合在一个装置中。对比一下,在RCS-941A中,你肯定找不到测量电流、开关量输入回路,它需要CSI-200E之类的测控装置或常规控制屏与它配合来提供这些功能。
4KZN1-12-04开关柜
10kV线路一次设备主接线如图2-7所示,与架空线路相比,少了隔离开关、B相电流互感器,多了零序电流互感器TA。

▲图2-7
B相电流互感器的作用:在一般书上提到都是只装A、C相电流互感器,现在为什么装B相CT呢?这主要是考虑到小电流接地选线功能。10kV架空线路,在单相接地时允许继续运行一段时间,但是需要确定是哪条线路接地,以便尽快查线检修,即选线。选线的依据是,该线路的零序电流是否为零。零序电流为三相电流的矢量和,正常时理论值为零,单相接地时,实测零序电流不为零,即可判断该线路故障,所以,需要配置三相CT来计算零序电流。对于电缆出线而言,在高压(10kV)电缆上配置了专用的零序电流互感器,不需要再用三相CT之和来计算,所以配置A、C两相CT来实现保护功能即可,这与书上的说法并不矛盾。
10kV开关柜二次原理图依照RCS-9611A原理图绘制,主要也分为电流回路、电压回路、操作回路、开关量输入回路。分别如图2-8、2-9、2-10、2-11、2-12所示。

▲图2-8
图2-8为电流回路,包括:保护、测量、计量、小电流接地选线,保护装置与电度表安装在开关柜上,所有接线均为开关厂接好。小电流接地选线装置安装在主控室,需要用控制电缆将零序电流L401、N400接至该装置。

▲图2-9
图2-9为电压回路,包括:保护电压(兼测量电压)、计量电压,均从柜顶小母线引下来。保护电压在进入保护装置前,必须经过一个空气开关,如图4QF。计量电压则不用。

▲图2-10
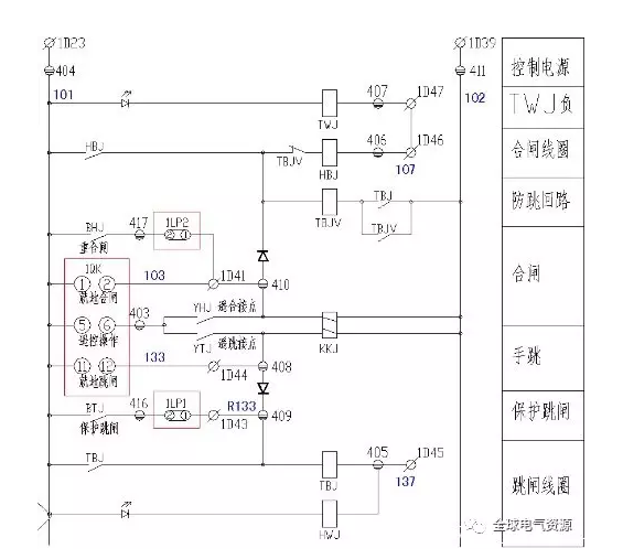
图2-10为操作回路,主要包括控制把手、微机操作回路与断路器机构的配合。图片有点小,请(点击看大图)。在很多简化画法中,断路器机构的合闸回路往往被画成图2-11中的样子:又弹簧已储能S1常开断路器分闸DL常闭合闸线圈HQ串联组成,或者加上试验位置SW、运行位置YW常开并联,以表示断路器手车只有在试验位置和运行位置时才能合闸。实际上,VS1断路器往往配有一个合闸闭锁电磁铁,它有一个手车行程开关(类似于一个继电器)控制,当手车处于试验位置、运行位置以外的位置时,电磁铁失电,其辅助接点断开合闸回路,这属于中置柜的电气闭锁(中置柜的电气闭锁还有许多,比如带电不能打开开关柜后门等)。
10kV中置柜具有完善的电气闭锁及机械闭锁功能,在手车处于非试验/运行位置时,机械闭锁功能会自动完成对合闸操作的闭锁,所以不需要再在合闸回路里利用SW、YW进行闭锁。(试验位置S8、运行位置S9很多时候也被标成SW、YW以便理解)

▲图2-11

▲图2-12
图2-12为开关量输入回路,对中置柜而言,最主要的信号包括:试验位置(S8常开)、运行位置(S9常开)、地刀合位(QE常开)、弹簧未储能(S1常闭)。断路器的位置可以不用接入,因为微机保护可以根据自身操作回路的HWJ、TWJ判别。
综上所述,对二次设计而言,10kV开关柜是最省事的,只需要将零序电流引出至小电流接地选线装置即可,其余的二次接线都由厂家完成。
配线图的看法,在此不再赘述,关键一点就是参照原理图,然后根据两个安装单位的编号互相对照即可。
三、XGN开关柜的二次接线
XGN开关柜为固定式开关设备,配置真空断路器(固定安装,不象中置柜那样可以利用手车拉出来),有独立的隔离开关,相当于把架空出线间隔的设备集中到一个开关柜里。
XGN开关柜没有专门的二次接线插头,所有的二次配线都是通过控制电缆完成的。除了将开关量输入回路中试验位置、运行位置换成上隔离1G合位、下隔离2G合位外,它的二次接线与中置柜是一样的。