一、接触器联锁正反转控制线路

①、接触器联锁:当其中一个接触器得电动作,通过其辅助常闭触头使另外一个接触器不能得电动作,这种相互作用的制约叫做联锁或者互锁。
②、其优点是工作安全可靠,缺点是操作不便。因为电机正反转之间的切换时,必须要先按下停止按钮,才能进行正反转间的切换。否则接触器联锁作用使其不能正反转切换。
二、按钮联锁正反转控制线路

①、按钮联锁正反做控制线路的优点是操作方便,不需按动停止按钮,可以直接进行正反转切换,但缺点是容易产生相间短路。
例如:当接触器KM1主触头熔焊或者被异物卡住时,即使接触器KM1线圈失电,其主触头也没有分断,这时按下SB2,KM2得电动作,主触头闭合,就会造成相间短路。所以这电路存在一定的安全隐患。
接触器联锁工作安全可靠但操作不方便;
按钮联锁操作方便但有安全隐患;
这两种电路优缺点都很明显。那么实际应用中,又是怎么样解决这些不足和缺点的呢?
实际应用当中我们的电路既要工作安全也要操作方便,这就是我们今天要讲的新的控制电路按钮、接触器双重联锁正反转控制线路。
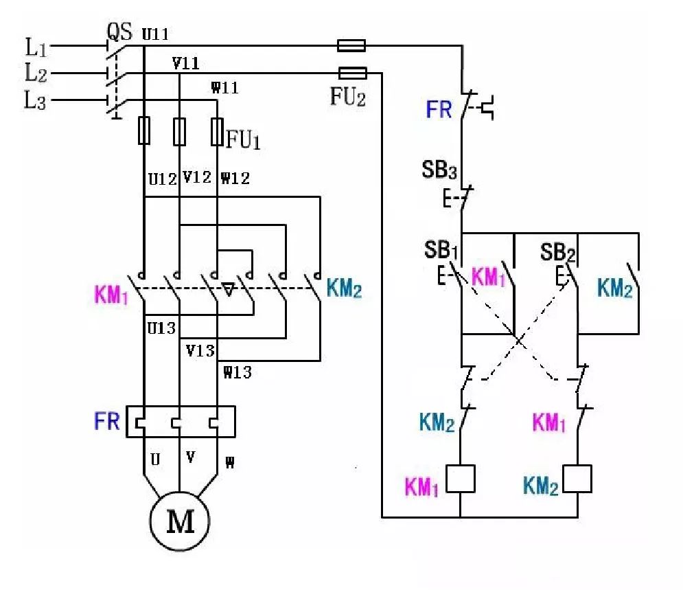
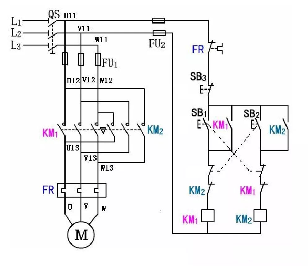
按钮、接触器双重联锁正反转控制线路

这是结合了接触器联锁正反转控制线路、按钮联锁正反转控制线路的结构,把两个线路组合起来形成的。
双重联锁控制线路的工作原理
①、双重联锁:
一重是交流接触器常闭触头与另一线圈串联而构成的联锁;
另一重是复合按钮常闭触头串联在对方电路当中构成的联锁。




按钮、接触器双重联锁控制线路优缺点
优点:它是接触器联锁控制线路与按钮联锁控制线路组合在一起形成的新电路,具备了以上两种电路的优点,操作方便,安全可靠,不会造成相间短路。
缺点:虽然克服了接触器联锁和按钮联锁的缺点,但是这电路自身电路比较复杂,连接线路容易出错,造成电路故障。
安装训练:
1、检查元件是否完好齐全;
2、根据布置图把元件正确安装在工作板上;
3、根据电路图和接线图把各元件连接起来;
4、接线完毕后自检线路,排查故障;
5、通电试车
注意事项:
1、主电路中接触器主触头要换向;
2、双重联锁触头的连接不要混淆;
3、怎么样布线才比较合理;
4、接线完毕经检查无误后方可通电试车
线路检测
检查主电路:
断开控制电路,检查主电路有无开路或短路现象,可用手动来代替接触器通电进行检查。检测主电路是否有开路的范围分别是L1U相、L2V相、L3W相,万用表的读数应都为0。检测短路的范围是U11、V11、W11三相两两之间是否有短路的现象,读数应为。
检查控制电路:检查KM1正转支路:
a) 先断开主电路,将万用表表棒分别搭在Ull、Vll线端上,读数应为。按下SB1时,读数应为接触器KM1的直流电阻值。SB1不放开,按下SB3,读数应为,或者手动按下交流接触器KM2(模拟KM2吸合,检验KM2的联锁触头安装是否正确),此时读数也应为。
b)手动压下交流接触器KM1(模拟KM1吸合,检验KM1自锁触头安装是否正确),此时读数应为接触器KM1的直流电阻值,按下SB3或者压下接触器KM2,读数应为。
检查KM2反转支路的方法同测量KM1正转支路类似。

这次主要是按钮、接触器双重联锁控制线路这一控制线路,它是由接触器联锁正反转控制线路和按钮联锁正反转控制线路结合而成,它消除了按钮联锁正反转控制线路存在相间短路的隐患,克服了接触器联锁正反转控制线路操作的不便所以这个电路在实际工作中应用很广泛,但其线路比较复杂容易接错线,造成线路故障,这也是我们需要注意的。