
图1
图1中选择汇总方式,到底是按外皮汇总还是按中心线汇总?
这个问题,有些地区有明确的规定,有些地区没有规定,对于没有规定的地区,这里到底选择哪个是正确的呢?
接下来我们准备用3篇文章来回答这个问题,今天是第一篇,《箍筋按外皮计算和中心线计算到底有什么区别》。
让我们从推导箍筋两种计算公式开始。
一、箍筋按外皮计算公式推导
箍筋为什么会出现外皮和中心线两种长度,纯粹是为了手算简单,当年没有计算机,手算箍筋长度特别麻烦,才会出现按外皮的近似算法。
下面请看按外皮计算的演化过程,如图2所示。

图2
因为真的要按中心线计算,每个角都有圆弧太麻烦,为了计算简单,就干脆把3个角变成直角,有人说了,为什么不把4个角都变成直角,实在是因为有弯钩那个角是135度,没法变成直角,所以,箍筋外皮长度的计算模型就是三个直角,一个135度圆弧角,如图3所示。

图3
我们可以按照图3写出一个粗略的长度计算公式,如图4所示。

图4
很显然,图4中b1+h1在135度弯钩处是不准确的,我们再来细分。
图3中,我们把135度圆弧角放大,如图5所示。

图5
图5中,b1可以换算成b2+R+d,这里b2是准确的, R+d是不准确的, R+d的实际长度是弧长fe,而fe是可以计算出来的,这就形成了标注长度与实际长度差值,这个差值也叫弯曲调整值,我们只要把差值补回来,这个圆弧段的长度就准确的了。
下面是差值(弯曲调整值)的计算过程。
标注长度与实际长度的差值(弯曲调整值)=[ 弧长fe ]-(R+d)。
弧长fe=圆的周长*135/360=直径**135/360=(R+d/2)*2**135/360。
那么,135度角弯曲调整值就是如图6所示。

图6
这种算法,本质上135度角处就是按中心线算的,从图5可以看出,这里外皮长度与中心线长度实际是相等的。
这里牵扯到箍筋的弯曲半径R的取值问题,R应该取多少呢?
平法图集16G101-1的57页有一个方向性的解释,如图7所示。

图7
虽然图集给出解释,但只有定性没有定量,我们在计算具体钢筋的时候,必须定量,广联达软件根据这个规定给弯曲半径一些定量取值,我认为也是合理的,下面我们也按这个取值进行计算,如图8所示。

图8
我们把各种弯曲半径代入下面的公式中。

当R=1.25d时,按3.1415926计算。
标注长度与实际长度的差值(也叫弯曲调整值)
=[( 1.25d +d/2)*2*3.1415926*135/360]-( 1.25d +d)
=1.87334d1.9d
当R=2d时,按3.1415926计算。
标注长度与实际长度的差值(也叫弯曲调整值)
=[( 2d +d/2)*2*3.1415926*135/360]-( 2d +d)
=2.890476d2.89d
当R=2.5d时,按3.1415926计算。
标注长度与实际长度的差值(也叫弯曲调整值)
=[( 2.5d +d/2)*2*3.1415926*135/360]-( 2.5d +d)
=3.56858d3.57d
当R=3d时,按3.1415926计算。
标注长度与实际长度的差值(也叫弯曲调整值)
=[( 3d +d/2)*2*3.1415926*135/360]-( 3d +d)
=4.24668d4.25d
这与广联达软件的计算结果是一致的,如图9所示。

图9
下面我们继续推导箍筋的外皮长度公式,如图10所示。

图10
把上式代入公式中,合并同类项,最终我们推导出箍筋按外皮计算公式如图11所示。

图11
广联达软件计算箍筋外皮长度时,就是用的图11公式,只是把保护层8C移入括号内,如图12所示。

图12
下面我们试一根柱子箍筋软件的算法,比如柱子的截面是500*500的,保护层为20,软件与我们推导的公式对比如图13所示。

图13
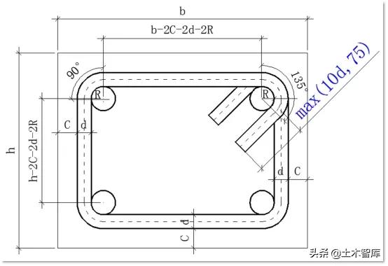
二、箍筋按中心线计算公式推导
中心线长度也是下料长度,我们要恢复箍筋的原有形状,如图14所示。

图14
我们给箍筋加上尺寸,如图15所示。

图15
按照图15,我们可以推导出箍筋中心线计算如下公式。
中心线(下料)长度
=(b-2C-2d-2R)*2+(h-2C-2d-2R)*2(四周直线边长)
+(R+d/2)*2**90*3/360(3个90度角弧长)
+(R+d/2)*2**135*2/360(2个135度角弧长)
+max(10d,75)*2 (2个直段长度)
把这个公式同类项合并,可得到箍筋按中心线计算的公式,如图16所示。

图16
大家看到了,图16我们推导出的箍筋按中心线计算公式还是比较复杂的,到这里大家可以理解为什么箍筋要按外皮计算了,因为简单。
插一句,这都是手算时代的遗留产物,为了计算简单而使用近似值,现在是计算机时代,计算根本就不是问题,所以不需要简化,计算机瞬间就可以算出来的。但是没有办法,遗留下来的东西要延续啊,我相信不久的将来,钢筋一定会改成全国统一规则,按中心线长度计算,这是后话,暂且不表。
下面我们就按图16推导的公式,把各个级别钢筋的弯曲半径R代进去。
当箍筋为一级钢时,R=1.25d,箍筋中心线长度推导如下。
中心线(下料)长度
=(b+h)*2-8C-8d-8R+(1.5R+0.75d)**2+max(10d,75)*2
=(b+h)*2-8C-8d-8*1.25d+(1.5*1.25d+0.75d)*3.14*2+max(10d,75)*2
=(b+h)*2-8C+max(10d,75)*2-1.515d
当箍筋为二级钢时,R=2d,箍筋中心线长度推导如下。
中心线(下料)长度
=(b+h)*2-8C-8d-8R+(1.5R+0.75d)**2+max(10d,75)*2
=(b+h)*2-8C-8d-8*2d+(1.5*2d+0.75d)*3.14*2+max(10d,75)*2
=(b+h)*2-8C+max(10d,75)*2-0.45d
当箍筋为三级钢时,R=2.5d,箍筋中心线长度推导如下。
中心线(下料)长度
=(b+h)*2-8C-8d-8R+(1.5R+0.75d)**2+max(10d,75)*2
=(b+h)*2-8C-8d-8*2.5d+(1.5*2.5d+0.75d)*3.14*2+max(10d,75)*2
=(b+h)*2-8C+max(10d,75)*2+0.26d
当箍筋为三级钢时,R=3d,箍筋中心线长度推导如下。
中心线(下料)长度
=(b+h)*2-8C-8d-8R+(1.5R+0.75d)**2+max(10d,75)*2
=(b+h)*2-8C-8d-8*3d+(1.5*3d+0.75d)*3.14*2+max(10d,75)*2
=(b+h)*2-8C+max(10d,75)*2+0.97d
把前面的公式汇总一下,一二三四级箍筋中心线长度计算公式,如图17所示。

图17
三、箍筋按外皮计算与按中心线计算长度比较
下面我们拿一个具体箍筋,来比较一下箍筋按外皮计算和按中心线计算长度的区别。
假如一个柱子截面尺寸为500*500,箍筋直径为8mm,柱子保护层为30,我们比较各种级别的箍筋长度。
(一)当箍筋是一级圆钢时,弯曲半径R=1.25d
1、箍筋按外皮计算长度
箍筋按外皮长度
=(b+h)*2-8C+max(10d,75)*2+1.9d*2
=(500+500)*2-8*30+80*2+1.9*8*2
=1950.4
2、箍筋按中心线计算长度
箍筋按中心线计算长度
=(b+h)*2-8C-8d-8R+(1.5R+0.75d)**2+max(10d,75)*2
=(500+500)*2-8*30-8*8-8*1.25+(1.5*1.25+0.75*8)*3.1415926*2+80*2
=1895.48
3、二者差值
外皮长度-中心线长度=1950.4-1895.48=54.92
(二)当箍筋是二级螺纹钢时,弯曲半径R=2d
1、箍筋按外皮计算长度
箍筋按外皮长度
=(b+h)*2-8C+max(10d,75)*2+1.9d*2
=(500+500)*2-8*30+80*2+2.89*8*2
=1966.24
2、箍筋按中心线计算长度
箍筋按中心线计算长度
=(b+h)*2-8C-8d-8R+(1.5R+0.75d)**2+max(10d,75)*2
=(500+500)*2-8*30-8*8-8*2+(1.5*2+0.75*8)*3.1415926*2+80*2
=1896.55
3、二者差值
外皮长度-中心线长度=1966.24-1896.55=69.69
(三)当箍筋是三级螺纹钢时,弯曲半径R=2.5d
1、箍筋按外皮计算长度
箍筋按外皮长度
=(b+h)*2-8C+max(10d,75)*2+1.9d*2
=(500+500)*2-8*30+80*2+3.57*8*2
=1977.12
2、箍筋按中心线计算长度
箍筋按中心线计算长度
=(b+h)*2-8C-8d-8R+(1.5R+0.75d)**2+max(10d,75)*2
=(500+500)*2-8*30-8*8-8*2.5+(1.5*2.5+0.75*8)*3.1415926*2+80*2
=1897.26
3、二者差值
外皮长度-中心线长度=1977.12-1897.26=79.86
(四)当箍筋是四级螺纹钢时,弯曲半径R=3d
1、箍筋按外皮计算长度
箍筋按外皮长度
=(b+h)*2-8C+max(10d,75)*2+1.9d*2
=(500+500)*2-8*30+80*2+4.25*8*2
=1988
2、箍筋按中心线计算长度
箍筋按中心线计算长度
=(b+h)*2-8C-8d-8R+(1.5R+0.75d)**2+max(10d,75)*2
=(500+500)*2-8*30-8*8-8*3+(1.5*3+0.75*8)*3.1415926*2+80*2
=1897.97
3、二者差值
外皮长度-中心线长度=1988-1897.97=90.03
四、实际工程中到底按哪个长度计算
前面的计算大家看到了,按照外皮计算比按中心线计算稍微大一点,那实际工程中到底按外皮计算还是按中心线计算?
这个没有标准答案,立场不同,角度不同,大家可能采取的计算方式不同,我相信你站在自己的角度已经有答案了。
下面是我自己做工程中的原则,仅供大家参考。
如果当地定额有明确的规定,那就按定额规定计算,这个没啥说的。