引言
预制装配式住宅,顾名思义就是用工厂预制的构件在现场装配而成的住宅。而装配式剪力墙住宅,是指结构承重构件主要由钢筋混凝土墙体来承担的装配式住宅。近年来,随着国家住宅工业化进程的加快,已有大量的装配式剪力墙住宅建成投入使用,这种建筑建造速度快、节约人力成本,并很大程度上提高了建筑质量。
装配式剪力墙住宅常用技术主要有:保温装饰一体化混凝土外墙板、预制楼梯、预制阳台板、叠合楼板等结构工业化技术以及整体卫浴、整体厨房、架空地板、同层排水等内装工业化技术。其中内装工业化技术的应用很大程度受住宅交付使用形式的制约。
目前,我国住宅仍以传统装修为主,内装工业化技术还未全面普及推广,因此,在预制结构体上的预留预埋则是当下机电设计的关键。下面对这种形式下的装配式剪力墙住宅机电管线预留预埋设计进行分析总结。
装配式住宅机电管线预留预埋设计
毛坯房中电气设备管线及采暖设备管线一般安装到位,给排水管线只预留总管。一部分简装房,则是在毛坯房基础上将卫生间洁具安装到位。在这种形式下,机电系统设计及管线敷设基本沿用了现行的常规做法:地暖、给水管线垫层敷设、排水管线异层敷设、电气管线浇筑于结构体内。
装配式住宅机电的关键技术就是做好预制结构体内管线的预留预埋。设计人员需在设计阶段精确定位设备管线并与土建构件一起生成BIM 模型提供给预制构件厂,预制人员按照图纸,根据统一的标准对各预制板、墙中的线、盒、箱、套管、洞等进行精确定位的预留预埋。
电气管线
电线管的预留预埋在机电中占非常大的比重。对于毛坯交房的住宅,电线管基本上是浇筑在结构体内的:预制墙体内的电线管及线盒,是随结构体在工厂内一次性浇筑成型的;当采用叠合楼板时,水平电线管,是敷设在楼板的现浇叠合层内,仍需要在现场湿作业完成。叠合板现浇层厚度的确定除考虑结构安全外,还要考虑走线的要求,若管线敷设出现交叉的情况,现浇层的厚度至少需要80mm。
进行管线优化布置,减少管线交叉是电气设计的关键,合理的设计可减小结构层厚度,从而降低工程造价。
1 点位预留
为方便和规范构件制作,在预制件中预留的箱体、接线盒应遵照预制件的模数,在预制构件上准确和标准化定位。在预制墙体上设置的插座、开关、弱电设备、消防设备等需要在设计阶段提前预留接线盒,这里采用标准的86型接线盒为宜。另外,叠合楼板内的照明灯具、消防探测器等设备需要预留深型接线盒,以便与叠合楼板现浇层内的管线相连接(详见图1),接线盒的具体位置应先由电气专业做初步定位,再由结构专业做精确定位。

2 点位综合
电气专业系统众多,每个系统都有单独的一套图纸,为确保预制件中的设备点位齐全,避免在施工现场进行剔凿、切割时伤及预制构件,应将各系统所需的预留孔洞、预埋件综合在一张图纸上,方便查漏补缺的同时也便于检查各个系统间的设备点位是否存在冲突、管线路径是否重合,在设计阶段能够及时发现问题并将其解决。
3 管线预留
设备管线应进行综合设计,减少平面交叉,由于装配式建筑的特殊形式,其内部的管道综合尤为重要。当水平管线必须暗敷时,应敷设于叠合楼板的现浇层内,采用包含BIM技术在内的多种手段开展三维管线综合设计,避免在同一地点出现多根电气管线交叉敷设的现象。
混凝土结构装配式建筑中,电气竖向管线宜集中敷设,满足维修更换的需要;钢结构装配式建筑中无须穿钢梁的竖向管线宜集中敷设,必须穿钢梁的竖向管线宜分散敷设以确保结构的安全性。
此外,钢结构装配式建筑应尽量避免竖向管线穿越钢梁及在有梁处布置需要由顶板敷设至墙面的管线。公共区域应尽量选用灯头自带声光控开关的灯具,声光警报器、应急广播尽量选用吸顶安装的方式,另外可通过电井内明敷的方式减少穿钢梁的暗埋管线。
4 管线衔接
管线间的衔接十分关键,主要分为预制构件之间的管线及预制构件与现浇层中管线之间的衔接,若连接不好,轻则影响建筑的美观,重则会破坏结构的墙体以及梁板。
预制墙内的管线与现浇层内管线连接一般有向上接及向下接两种方式。依据管线最短原则,距地面近的插座等可采用向下与现浇层内管线连接;距楼面近的开关等可采用向上与现浇层内管线连接的方法。需要特别注意的是,预制墙内预埋线路与现浇相应线路连接时,墙面预埋盒上(下)应预留接线空间,一般为150mm( 宽)x150mm( 高)x80mm(深), 连接后用混凝土浇筑。
对于插座、户内配电(线)箱等,由于管线是由设备向下敷设至本层楼板内的现浇层,与现浇层内的水平管线连接以确保管线之间能够顺利连接,所以通常在预制墙体下方的连接处留有管线连接孔洞,详见图2。

图2 管线连接预留孔洞
对于户内的照明开关、公共区域的手动报警按钮和消火栓按钮、安全出口指示灯具等设备管线需要与上一层叠合板现浇层内的水平管线连接,通常在预制墙体上方的连接处留有管线连接孔洞。
由于向上敷设管线可能需要穿结构梁,因此预制混凝土结构梁应提前在叠合梁中预留管线;钢结构梁需提前预留孔洞(预留位置不应影响结构安全),以便于预制墙体中的竖向管线连接,详见图3。

防雷与接地
装配式住宅的防雷等级划分原则、防雷措施以及接地做法等与非装配式住宅相同,且均是优先利用钢筋混凝土中的钢筋作为防雷装置,区别主要在于防雷接地的具体做法。住宅的防雷设计首先要确定防雷等级,然后采取相应的防雷措施,防雷措施又分为外部防雷措施(直击雷、侧击雷)、内部防雷措施(防闪电感应、防反击以及防闪电电涌侵入和防生命危险)以及防雷击电磁脉冲。
在防直击雷措施方面,装配式住宅与普通住宅相同,均是在屋顶设置接闪器,利用柱内或剪力墙内钢筋作为防雷引下线,借用建筑物基础内的钢筋作为接地极,其中接闪器以及接地极的做法相同,主要的差异在于防雷引下线的做法:对于钢结构形式的装配式住宅,可以利用钢结构中的钢柱作为防雷引下线;对于混凝土结构的装配式住宅,可以采用预制混凝土结构柱或剪力墙内满足防雷要求的钢筋作为防雷引下线,并确保接闪器、引下线及接地极之间通长、可靠的连接。
装配整体式框架结构中,框架柱的纵筋连接宜采用套筒灌浆连接;装配式整体剪力墙结构中,预制剪力墙竖向钢筋的连接可根据不同部位,分别采用套筒灌浆连接、浆锚搭接连接。套筒灌浆连接与浆锚搭接连接做法大同小异,即一侧柱体端部为钢套筒,另一侧柱体端部为钢筋,钢筋插入套筒后注浆,钢筋与套筒之间隔着混凝土砂浆。由于钢筋之间不连续,不能满足电气贯通的要求,因此,若采用实体柱内的钢筋作为防雷引下线,同时连接处采用套筒灌浆连接或浆锚搭接连接,则连接处需采用同等截面积的钢筋进行跨接,以达到电气贯通的目的,具体做法详见图5。

在防侧击雷措施方面,装配式住宅防侧击雷的设计难点在于均压环和外墙上的栏杆、门窗以及太阳能热水器、太阳能面板等较大金属物防雷接地的做法:普通住宅一般采用结构圈梁内满足防雷要求的主筋可靠连接作为均压环;混凝土结构装配式住宅的结构梁一般采用叠合梁,可以利用叠合梁(圈梁)现浇层中满足防雷要求的主筋可靠连接作为均压环;钢结构装配式住宅的圈梁为钢结构且施工时均可靠连接,可以直接利用每层的钢结构圈梁作为均压环。
排水管线
住宅产业化的要求和建筑技术的提高,使卫生间同层排水技术得到了一定的发展。但在现阶段毛坯房卫生间设计基本上仍沿用了异层排水的形式。原因是毛坯房交房时卫生洁具无法安装到位,即使是安装到位的简装房,卫生洁具采购的也是市面上价格较便宜的产品,而同层排水对洁具及管道都有特殊的要求,价格也相对要高。
为减少不同形式预制板数量,节约成本,装配式住宅卫生间等管线较多区域一般采用现浇楼板,现场定位。当采用叠合楼板时,设计人员则要在图纸上精确定位每一个排水管孔洞。在加工厂内要根据准确定位的设计图纸将每一个排水点在预制叠合板上进行留洞,在施工现场现浇层内对照原先预留好的预留洞口,进行同样规格的二次留洞,预留洞孔径一般比排水管道外径大50mm~100mm。
给水管线
毛坯房给水管的敷设方式主要有沿室内楼板下明装敷设、在楼(地)面的垫层内敷设或沿墙在管槽内敷设。
在我国北方地区,由于做地板采暖需一定厚度的垫层,所以给水管一般与采暖管一起敷设在垫层内;南方地区则多明装在楼板下,由住户二次装修时处理。接给水点的垂直管线一般均为暗装,需在墙板上预留出至少60mmx40mm(宽x深)的墙槽,这对于预制剪力墙是很难实现的。

图5为某项目一块预制剪力墙开墙槽的设计图,图中两对墙槽,左侧为1.2m 高的燃气热水器冷热水管预留墙槽,右侧为0.55m高的洗菜盆冷热水管预留墙槽。预制墙体厚度为200mm,墙体内钢筋边距墙内皮只有35mm 左右,如果按40mm 深预留,钢筋只能外漏,而实际上钢筋尚需至少15mm 的保护层,对于右侧墙槽只涉及到少量钢筋时,可局部钢筋打弯避开,而对于左侧墙槽,大量钢筋外漏,很难处理。经与结构专业人员协商,留出15mm 深墙槽,管线砂浆保护层不得小于10mm,需在二次装修时增加装饰面厚度。要注意的是开槽位置一定要避开结构墙连接套筒的部位,见图6竖向钢筋底部,套筒比钢筋粗,无法再开槽。

在预制装配式住宅设计中,我们应与建筑专业密切配合,通过调整房间布局,避免将给水点设在预制剪力墙上,否则不仅二次装修时墙体加厚,占用室内空间,还会增加预制板规格,增加造价。
供暖管线
现阶段毛坯房供暖系统主要为散热器供暖及热水地板辐射供暖两种方式。且管线及设备均安装到位。
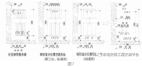
1 点采用散热器供暖
一般情况下,为保证供暖效果,散热器宜在外墙安装。装配式剪力墙住宅建筑的外墙一般采用预制夹芯保温外墙板,无法现场打孔,所以预制外墙上安装的散热器支托架螺栓,必须在工厂预留好。由于不同形式的散热器或同一形式不同片数散热器支托架位置都有所不同,从而增加了预制板的规格数量,基于上述原因,现有预制装配式住宅很少采用散热器供暖的方式。统一预制板的规格,可以使预制装配式住宅选择散热器供暖形式不再受限。
在设计过程中,根据不同形式的散热器或同一形式不同片数散热器支托架位置,可以总结出一定的设置规律,通过适当增加预埋螺栓孔的数量,从而统一预制板的规格,使预制墙板标准化。

图7为目前住宅常用三种散热器在客厅外墙上布置图,对于1800mm 高的柱形钢管散热器最少3 个,最多8个螺栓可满足4片~9片散热器托架要求;对于铜铝复合散热器502系列由于单片散热量较大,最少3个,最多5个螺栓就可以满足要求。
对于预制装配式住宅,我们希望业主能在预制板加工前确定散热器形式,每一种外墙我们可以按照最多散热器数量预留螺栓,从而有效地减少了预制板数量,降低了造价。
2 采用热水地板辐射供暖
热水地板辐射供暖从安装方式上主要有混凝土填充式、预置沟槽保温板及预置轻薄供暖板。混凝土填充式,是用水泥砂浆或豆石混凝土作为固定加热管的填充层,虽未埋设在结构层内,但现场填充,仍为湿法施工,与装配式建筑理念不符,但由于价格便宜,目前应用较多。
预置沟槽保温板及预置轻薄供暖板均为工厂预制,按一定的模数制成板块,现场拼装。这两种干式地暖安装方式体现了装配式建筑的节材、降低现场扬尘及提高安装效率的特点,是装配式建筑应提倡和推广的技术。
装配式住宅机电设计展望
近年来随着人们对可直接入住的高品质精装修房的需求越来越大,内装工业化体系中的整体厨房、整体卫浴、架空地板技术等也在一些示范项目中得到了应用。2010年住房和城乡建设部发部了《CSI住宅建设技术导则》(试行),为我国工业化住宅明确了发展方向。其核心内容之一即为所有机电管线应与结构体分离。这样不仅省去了在结构体内预留预埋设备管线的过程,主要使设备管线具有了可维修性和可更替性,从而延长住宅的使用寿命。借鉴日本KSI住宅经验,可采用的机电技术主要有:
一、电线管及通风管在吊顶内安装,给排水及采暖干管敷设在架空地板内。
二、贴面墙技术。隔墙内部空间敷设机电管线,即所谓的双层贴面墙;外墙与室内装饰面层间作为机电管线敷设的空间。
三、采用排水集合器的技术。在公共空间管道井设置公用立管,室内各卫生器具排水横管以一定坡度接至排水集合器再与公用立管相接;室内采用同层排水技术。
四、施工现场拼装的整体浴室技术。
五、采用预制模块化供暖板直接铺设于架空地板上,供暖干管敷设于架空地板下方的干式地暖技术。
在住宅工业化推进过程中,发现我们很难完全复制国外的先进技术。除了标准化设计及通用性部品工作滞后的原因外,还有经济的原因、结构体系不同的原因等。我们需要找到一种近期可实现的装配式建筑机电技术体系。
结语
十三五期间,全国仍有大量保障性住房需要建设,为住宅工业化的发展提供了良好契机。在现有的预制装配式住宅体系下,通过利用合理的竖井布置及管线排布,降低管线占用空间高度,最大限度地在满足管线可维修和更新的情况下降低成本,是机电设计的关键;配合做好预制构件预留预埋是机电设计师的责任,如何在设计方法上引导大众使用习惯,实现附合我国国情的工业化住宅体系,是广大设计师的奋斗目标。