安全继电器是一个安全回路中所必须的控制部分,它接受安全输入,通过内部回路的判断,确定性的输出开关信号到设备的控制回路里。简单地说,安全继电器都是双通道信号型,只有两个通道信号都正常时,安全继电器才能正常工作;在工作过程中,只要其中任一通道信号断开,安全继电器都会停止输出,直到两个通道信号都正常且复位后才能正常工作。
安全继电器工作原理
1、电磁式
电磁式继电器一般由铁芯、线圈、衔铁、触点簧片等组成的。只要在线圈两端加上一定的电压,线圈中就会流过一定的电流,从而产生电磁效应,衔铁就会在电磁力吸引的作用下克服返回弹簧的拉力吸向铁芯,从而带动衔铁的动触点(常开触点)与静触点(常闭触点)吸合。当线圈断电后,电磁的吸力也随之消失,衔铁就会在弹簧的反作用力返回原来的位置,使动触点与原来的静触点释放。这样吸合、释放,从而达到了在电路中的导通、切断的目的。对于继电器的常开、常闭触点,可以这样来区分:继电器线圈未通电时处于断开状态的静触点,称为常开触点;处于接通状态的静触点称为常闭触点。
2、热敏干
热敏干簧继电器是一种利用热敏磁性材料检测和控制温度的新型热敏开关。它由感温磁环、恒磁环、干簧管、导热安装片、塑料衬底及其他一些附件组成。热敏干簧继电器不用线圈励磁,而由恒磁环产生的磁力驱动开关动作。恒磁环能否向干簧管提供磁力是由感温磁环的温控特性决定的。
3、固态式
固态继电器是一种两个接线端为输入端,另两个接线端为输出端的四端器件,中间采用隔离器件实现输入输出的电隔离。
安全继电器接线图
安全继电器的内部线路原理:

安全继电器2种应用对应接线图如下:


安全继电器使用方法
在我们的日常工作中,此类继电器常见于电气设备控制系统中,尤其是国外的进口设备中最为常见。特别是在设备突然故障时,在故障未消除或者故障未确认前,设备是无法正常运转的。以此防止设备故障后突然运行给人身或设备带来危险。
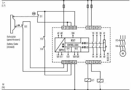
我们以某安全继电器为例,其内部控制电路如下图所示:

安全继电器使用要点说明如下:
电源的接法。图中A1和A2为电源端子,A1 接24V+;A2接0V。
在控制输入电路中,正常使用时,需要在S11和S12 以及 S11和S22之间接入所需要的开关条件。一般为触点或者按钮接点。
在复位电路中,S33和S34之间需要接入相应的复位条件。与此同时,Y1和Y2之间的条件也是复位电路的一部分,两者条件必须同时成立。
那么,它们是如何运行的呢?
A.若需要安全继电器吸合(即K1,K2,K4,K5有电),只满足输入电路有电(即端子S12,S22有电)是没有用的,要想让K1,K2,K4,K5都闭合,除了S12,S22有电以外,还需要满足K3闭合的条件。
B.若满足K3闭合,条件是K1,K2,K4,K5均失电,并且复位电路有电(即端子Y2有电)。即S33到S34导通,且Y1和Y2也同时导通。
2.示例:在某设备控制电路图纸中,其控制回路中,有如下图:

按上、下图示接法:若按下外部急停按钮,后K11失电,那么即使复位外部急停开关后,即输入回路已经有电,但是还必须按控制箱190SP1上的故障确认按钮后,K11内部继电器才吸合得电。
综上所述,在紧急停止解除时,机器不能出现突然再启动(必须点击故障确认,即进行故障复位才可以重新得电),从而保障人身及其他的安全。