
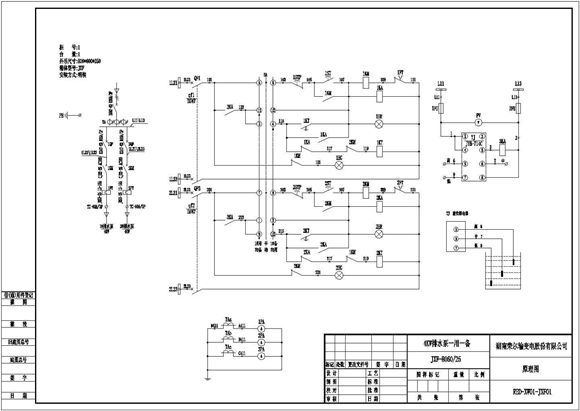
某地一用一备排水泵自动切换原理图及接线图

某地一用一备排水泵自动切换原理图及接线图

某地一用一备排水泵自动切换原理图及接线图
某地4KW排水泵用中间继电器和时间继电器实现一用一备排水泵原理,包括接线图和原理图。

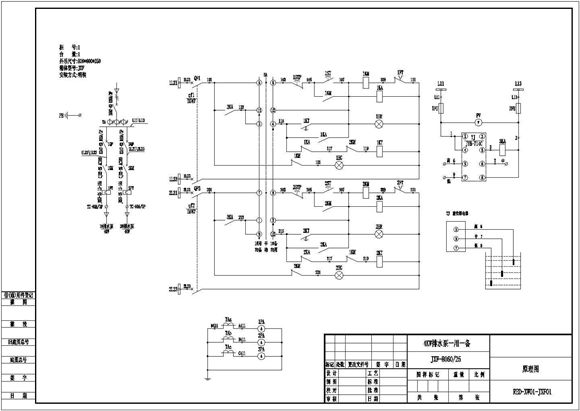
某地一用一备排水泵自动切换原理图及接线图

某地一用一备排水泵自动切换原理图及接线图

某地一用一备排水泵自动切换原理图及接线图
某地4KW排水泵用中间继电器和时间继电器实现一用一备排水泵原理,包括接线图和原理图。
声明:资源收集自网络或用户分享,仅供学习参考,如侵犯您的权益,请联系我们处理。
不能下载?报告错误