规范网
更新
当前位置:
规范网
资料
内容详情
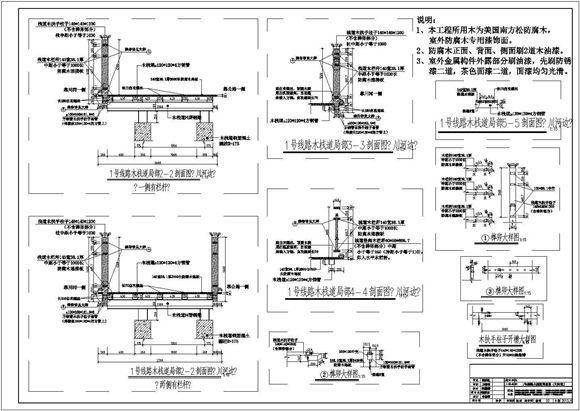
某栈道景观效果图规划设计详细图纸
某栈道景观效果图规划设计详细图纸
某栈道景观效果图规划设计详细图纸
某栈道景观效果图规划设计详细图纸
栈道设计,结构功能,绿化景观,以图为例,休闲娱乐,观光散步
加入收藏
下载文件
声明:资源收集自网络或用户分享,仅供学习参考,如侵犯您的权益,请联系我们处理。
不能下载?报告错误
下页:
某小区景观桥详图(平面图、剖面图)
相关推荐
坡面屋顶阵列前后间距计算和遮挡物影长计算公式V1.1
光伏专用电缆选型计算,汇流箱至逆变器电缆选型计算,短路电流计算,组串数量计算
风力发电经济评价模型案例
风电 水电效益测算分析表
分布式光伏工程报价参考计算表格
某栈道景观效果图规划设计详细图纸
下载文件
免费下载
标签
15s202
银行总结
供销合作规范
人事总结
文物保护规范
工程总结
园林
蝶阀标准
幼儿园工作计划
税务规范
新闻出版规范
焊接标准
放假通知
认证认可规范
教学计划
司法规范
广播稿
12j201
环境保护规范
硬度标准
安全帽标准
教育规范
建筑材料规范
能源规范
校车标准
吉林省标准
采购总结
指导性国家标准