当前位置:首页  资料内容详情

视频监控系统示意图

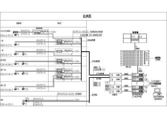
视频监控系统示意图 视频监控系统示意图 视频监控系统示意图 本工程为视频监控系统示意图,包含视频监控系统图,图纸内容完整,表达清晰,制图严谨,欢迎设计师下载使用

视频监控系统示意图

声明:本站为网络服务提供者及网络索引服务平台资源索引自网络/用户分享,如有版权问题,请联系站方删除。

不能下载?报告错误