规范网
更新
当前位置:
规范网
资料
内容详情
地下车库全套图纸
地下车库全套图纸
地下车库全套图纸
地下车库全套图纸
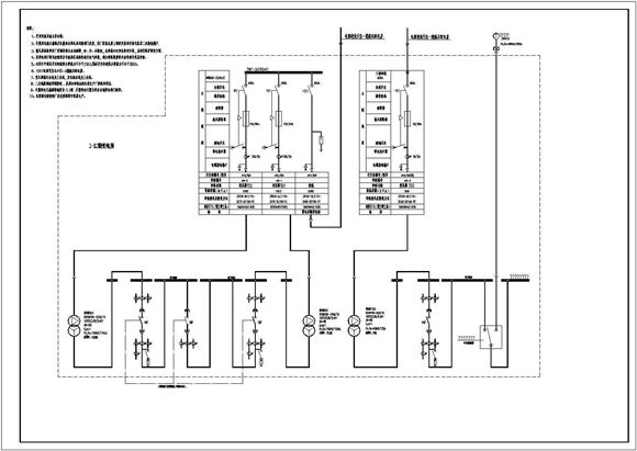
商住楼和地下车库电气施工图,包括地下车库和地上相应的想主楼。
加入收藏
下载文件
声明:资源收集自网络或用户分享,仅供学习参考,如侵犯您的权益,请联系我们处理。
不能下载?报告错误
下页:
小区智能化图纸全套设计图(带系统图和布局点位图)
相关推荐
坡面屋顶阵列前后间距计算和遮挡物影长计算公式V1.1
光伏专用电缆选型计算,汇流箱至逆变器电缆选型计算,短路电流计算,组串数量计算
风力发电经济评价模型案例
风电 水电效益测算分析表
分布式光伏工程报价参考计算表格
地下车库全套图纸
下载文件
免费下载
标签
结构
内蒙古自治区标准
螺母标准
垫片标准
阻燃标准
机械规范
检验标准
中医药规范
粮食规范
天津市标准
11zj901
粉煤灰标准
路桥
邮政规范
手册
山西省标准
医药规范
学校领导讲话稿
海关规范
教育随笔
水利规范
工作通知
河南省标准
有色金属规范
照明标准
15j401
安全生产
文物保护规范