当前位置:首页  资料内容详情

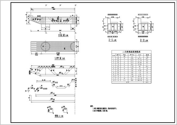
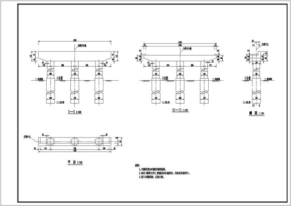
某农桥桥台、桥墩、台帽构造设计图

某农桥桥台、桥墩、台帽构造设计图 某农桥桥台、桥墩、台帽构造设计图 某农桥桥台、桥墩、台帽构造设计图 1.单位:高程以米计,钢筋直径以毫米计,其余均以厘米计;2.设计车辆荷载:公路II级;

某农桥桥台、桥墩、台帽构造设计图

声明:本站为网络服务提供者及网络索引服务平台资源索引自网络/用户分享,如有版权问题,请联系站方删除。

不能下载?报告错误