
新型KYN61-40.5铠装式高压开关柜全套图纸

新型KYN61-40.5铠装式高压开关柜全套图纸

新型KYN61-40.5铠装式高压开关柜全套图纸
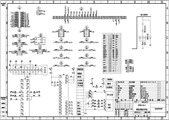
新型KYN61-40.5铠装式高压开关柜全套图纸,一次图有一张,为35KV一次系统图,另外与其配套的二次原理图有20张。

新型KYN61-40.5铠装式高压开关柜全套图纸

新型KYN61-40.5铠装式高压开关柜全套图纸

新型KYN61-40.5铠装式高压开关柜全套图纸
新型KYN61-40.5铠装式高压开关柜全套图纸,一次图有一张,为35KV一次系统图,另外与其配套的二次原理图有20张。
声明:资源收集自网络或用户分享,仅供学习参考,如侵犯您的权益,请联系我们处理。
不能下载?报告错误