当前位置:首页  资料内容详情

某超纯水PID图工艺设计流程图纸

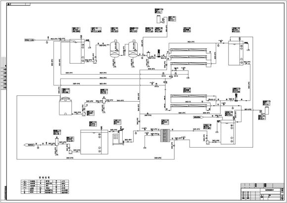
某超纯水PID图工艺设计流程图纸 本图纸是超纯水PID图工艺流程图,其中主要包含进水砂滤,活性炭过滤器,二级反渗透,EDI,紫外消毒工艺,水量平衡及计算书等等,图纸可供参考~

某超纯水PID图工艺设计流程图纸

声明:本站为网络服务提供者及网络索引服务平台资源索引自网络/用户分享,如有版权问题,请联系站方删除。

不能下载?报告错误