当前位置:首页  资料内容详情

某隧道人行横通道紧急停车带设计图

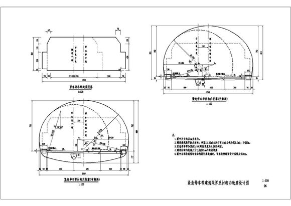
某隧道人行横通道紧急停车带设计图 某隧道人行横通道紧急停车带设计图 某隧道人行通道的衬砌设计相关图纸。人行通道及紧急停车带的砌选用的形式,混凝土的强度等级,锚杆的长度.

某隧道人行横通道紧急停车带设计图

声明:本站为网络服务提供者及网络索引服务平台资源索引自网络/用户分享,如有版权问题,请联系站方删除。

不能下载?报告错误